Eine Wirkungsgradbestimmung erfolgt gewöhnlich mit dem Power Analyzer. Eine alternative und genauere Verlustleistungsmessung mit dem Kalorimeter stellen die Autoren in diesem Artikel vor.
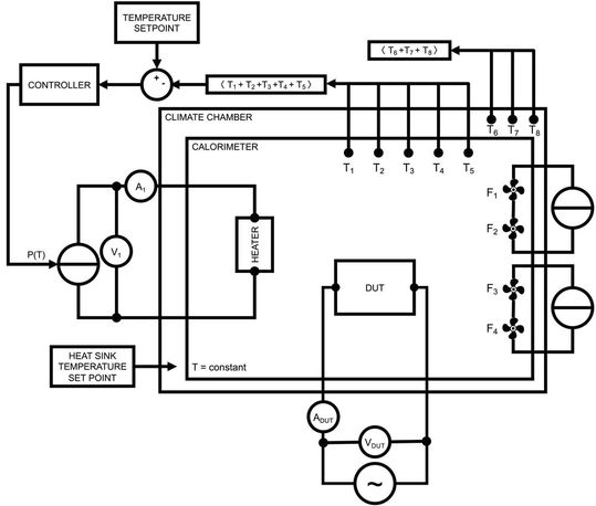
Bild 1: Das Kalorimeter gibt seine Wärme an eine Klimakammer ab, die auf niederer Temperatur betrieben wird.
(Bild: ZHAW Züricher Hochschule für angewandte Wissenschaften)
Eine traditionelle Methode zur Bestimmung des Wirkungsgrades von Leistungselektronik ist die Messung der ein- und ausgehenden elektrischen Leistung mit einem Power Analyzer. Doch die heutige Leistungselektronik arbeitet mit Frequenzen im kHz- oder sogar im MHz-Bereich, sodass dies eine genaue Messung des Wirkungsgrades mit einem Power Analyzer erschwert. Weitere Messungenauigkeiten sind beispielsweise harmonische Schwingungen höherer Ordnung und Phasenverschiebungen. Bei effizienten Schaltungen können diese Faktoren zu Messunsicherheiten führen, deren Abweichungen größer sind als das Messergebnis selbst.
Eine alternative Methode ist die thermische Messung der Erwärmung. Diese Messmethode wird auch als Kalorimetrie bezeichnet. Als Referenz zur Kalibration der Messeinrichtung findet eine Messung der Spannung an und des fließenden Stroms durch einen ohmschen Heizwiderstand bei Gleichspannung statt. Diese Referenzmessung ist sehr präzise. Die eigentliche Messung vergleicht die abgegebene Wärmeleistung an die Umgebung zwischen der zu untersuchenden Baugruppe mit derjenigen der Referenzmessung. Messungen mit dem hier vorgestellten Kalorimeter zeigen, dass eine Unsicherheit kleiner als 1 W vorhanden ist; bei einer Verlustleistung von 50 W bedeutet dies eine Messgenauigkeit von 2%.
Dieser Artikel stellt ein Kalorimeter vor, das eine frequenzunabhängige Messung der Verlustleistung von elektronischen Schaltungen ermöglicht.
Die Unsicherheiten traditioneller Messungen
Die präzise Messung von Verlustleistungen elektronischer Schaltungen und Teilsystemen mit Power Analyzer ist zwar eine weit verbreitete industrielle Messmethode, doch für Elektronik, die mit höheren Frequenzen arbeitet, birgt diese Messmethode erhebliche Unsicherheiten. Die Genauigkeit des Messwertes des Power Analysators nimmt mit zunehmender Betriebsfrequenz und Leistung markant ab. Schaltfrequenzen von 40 bis 50 kHz sind heute im Feld der Leistungselektronik und anderen Gebieten weit verbreitet. Die Schaltfrequenz steigt mit neuen Bauteilen wie SiC oder GaN weiter.
Um die Effizienz solcher Schaltungen zu bestimmen, könnte ein Kalorimeter [1] [2] die herkömmlichen Power Analyzer ergänzen. Mit einem Kalorimeter werden die Wärmeverluste des Stromkreises oder des Teilsystems direkt gemessen [3] [4]. Heutige Kalorimeter arbeiten meistens mit einem Wärmetauscher und sind bei sehr geringen Leistungen einsetzbar. Es ist jedoch zu beachten, dass bei Verwendung eines Wärmetauschers [5] die Messung des Fluidvolumenstroms sehr wichtig ist, jedoch ist dies bei den hier beschriebenen Leistungen mit der gewünschten Genauigkeit schwierig zu realisieren. Das hier vorgestellte Messverfahren benötigt keine Messung des Volumenstroms. Wie in Bild 1 zu sehen ist, gibt das Kalorimeter seine Wärme an eine Klimakammer ab, die auf niederer Temperatur betrieben wird. Die Wärmeübertragung besteht hauptsächlich aus erzwungener Konvektion.
Das Konzept des Kalorimeters
In jedem Betriebszustand muss das Kalorimeter die Bedingung nach der Gleichung (1) Pout=Ploss+Pheater=konstant für die Leistung und nach Gleichung (2) Tint-Text=konstant für die Temperatur erfüllen. Außerdem muss jeglicher Massenstrom zwischen dem Kalorimeter und der Klimakammer in beide Richtungen verhindert werden, um ein geschlossenes System zu gewährleisten.
Das Kalorimeter ist in einer Klimakammer platziert, um hohe Leistungsmessungen zu ermöglichen und zugleich den Prüfling (DUT, device under test) bei Raumtemperatur oder bei unterschiedlichen Temperaturen zu betreiben. Im Kalorimeter sind vier Ventilatoren untergebracht (Bild 2), die einen gleichmässigen Wärmedurchgangskoeffizienten zwischen Kalorimeter und Klimakammer sicherstellen.
Die Innentemperatur ist abhängig von der Wärmeabgabe der Heizung (z.B. eines Leistungswiderstandes) und des Messobjektes (DUT) [6]. Um die Innentemperatur konstant zu halten, ist ein entsprechender Regelkreis zur Regelung der Heizung implementiert. Zur Erfassung der Leistungsaufnahme der Heizung wird ein einfaches Gleichspannungs- und Gleichstrommessgerät verwendet, wie in Bild 2 dargestellt. Das Bild 3 zeigt den Innenraum. Die wichtigsten Teile sind die Temperaturfühler (PT100 Klasse B), der Heizwiderstand, die Lüfter und die Leistungselektronik (DUT), deren Wärmeverluste gemessen werden sollen. Im vorliegenden Fall besteht das Messobjekt (DUT) aus einer Leistungselektronik eines haushaltsüblichen Induktionskochherds. Die Induktionsspule mit Topf befindet sich außerhalb der Klimakammer.
Stand: 08.12.2025
Es ist für uns eine Selbstverständlichkeit, dass wir verantwortungsvoll mit Ihren personenbezogenen Daten umgehen. Sofern wir personenbezogene Daten von Ihnen erheben, verarbeiten wir diese unter Beachtung der geltenden Datenschutzvorschriften. Detaillierte Informationen finden Sie in unserer Datenschutzerklärung.
Einwilligung in die Verwendung von Daten zu Werbezwecken
Ich bin damit einverstanden, dass die Vogel Communications Group GmbH & Co. KG, Max-Planckstr. 7-9, 97082 Würzburg einschließlich aller mit ihr im Sinne der §§ 15 ff. AktG verbundenen Unternehmen (im weiteren: Vogel Communications Group) meine E-Mail-Adresse für die Zusendung von redaktionellen Newslettern nutzt. Auflistungen der jeweils zugehörigen Unternehmen können hier abgerufen werden.
Der Newsletterinhalt erstreckt sich dabei auf Produkte und Dienstleistungen aller zuvor genannten Unternehmen, darunter beispielsweise Fachzeitschriften und Fachbücher, Veranstaltungen und Messen sowie veranstaltungsbezogene Produkte und Dienstleistungen, Print- und Digital-Mediaangebote und Services wie weitere (redaktionelle) Newsletter, Gewinnspiele, Lead-Kampagnen, Marktforschung im Online- und Offline-Bereich, fachspezifische Webportale und E-Learning-Angebote. Wenn auch meine persönliche Telefonnummer erhoben wurde, darf diese für die Unterbreitung von Angeboten der vorgenannten Produkte und Dienstleistungen der vorgenannten Unternehmen und Marktforschung genutzt werden.
Meine Einwilligung umfasst zudem die Verarbeitung meiner E-Mail-Adresse und Telefonnummer für den Datenabgleich zu Marketingzwecken mit ausgewählten Werbepartnern wie z.B. LinkedIN, Google und Meta. Hierfür darf die Vogel Communications Group die genannten Daten gehasht an Werbepartner übermitteln, die diese Daten dann nutzen, um feststellen zu können, ob ich ebenfalls Mitglied auf den besagten Werbepartnerportalen bin. Die Vogel Communications Group nutzt diese Funktion zu Zwecken des Retargeting (Upselling, Crossselling und Kundenbindung), der Generierung von sog. Lookalike Audiences zur Neukundengewinnung und als Ausschlussgrundlage für laufende Werbekampagnen. Weitere Informationen kann ich dem Abschnitt „Datenabgleich zu Marketingzwecken“ in der Datenschutzerklärung entnehmen.
Falls ich im Internet auf Portalen der Vogel Communications Group einschließlich deren mit ihr im Sinne der §§ 15 ff. AktG verbundenen Unternehmen geschützte Inhalte abrufe, muss ich mich mit weiteren Daten für den Zugang zu diesen Inhalten registrieren. Im Gegenzug für diesen gebührenlosen Zugang zu redaktionellen Inhalten dürfen meine Daten im Sinne dieser Einwilligung für die hier genannten Zwecke verwendet werden. Dies gilt nicht für den Datenabgleich zu Marketingzwecken.
Recht auf Widerruf
Mir ist bewusst, dass ich diese Einwilligung jederzeit für die Zukunft widerrufen kann. Durch meinen Widerruf wird die Rechtmäßigkeit der aufgrund meiner Einwilligung bis zum Widerruf erfolgten Verarbeitung nicht berührt. Um meinen Widerruf zu erklären, kann ich als eine Möglichkeit das unter https://contact.vogel.de abrufbare Kontaktformular nutzen. Sofern ich einzelne von mir abonnierte Newsletter nicht mehr erhalten möchte, kann ich darüber hinaus auch den am Ende eines Newsletters eingebundenen Abmeldelink anklicken. Weitere Informationen zu meinem Widerrufsrecht und dessen Ausübung sowie zu den Folgen meines Widerrufs finde ich in der Datenschutzerklärung, Abschnitt Redaktionelle Newsletter.
Bild 2: Die vier Ventilatoren im Kalorimeter sorgen für einen gleichmässigen Wärmedurchgangskoeffizienten zwischen Kalorimeter und Klimakammer.
(Bild: ZHAW Züricher Hochschule für angewandte Wissenschaften)
Die Messmethode und ihre Genauigkeit
Die Messung des Wärmeverlustes des Messobjekts erfolgt in zwei Schritten. Im ersten Schritt muss sich das Kalorimeter im thermisch stationären Zustand befinden und die Gleichungen (1) und (2) mit Ploss=0 W erfüllen. Im nächsten Schritt wird der Prüfling an seine Energiequelle angeschlossen. Dieser erzeugt zusätzlich durch die zu messende Verlustleistung Wärme. Um die Gleichung (2) weiterhin zu erfüllen, muss die Ausgangsleistung des Heizwiderstandes um den äquivalenten Wert von Ploss reduziert werden. Sobald das Messobjekt in Betrieb ist, erzeugt dies Verlustleistung und erwärmt die Bauteile und den Kühlkörper bis ein stationärer Zustand erreicht wird.
Bild 3: Das Messobjekt (DUT) ist die Leistungselektronik eines haushaltsüblichen Induktionskochherds.
(Bild: ZHAW Züricher Hochschule für angewandte Wissenschaften)
Bild 4 veranschaulicht den transienten Verlauf zwischen den zwei stationären Zuständen. Eine wichtige Bedingung bei dieser Messmethode ist, dass die Leistung von Pheater immer größer als 0 W sein muss, ansonsten trägt nur Ploss zu Pout bei und die Innentemperatur des Kalorimeters ist nicht mehr regelbar. Die Gleichungen (3) und (4) (siehe Bildergalerie)werden zur Berechnung des Wirkungsgrades der zu prüfenden Schaltung(en) oder des Teilsystems unter Berücksichtigung der gemessenen Werte verwendet, während die Gleichung (5) zur Bestimmung der Genauigkeit der Messungen verwendet wird. Die Messgenauigkeit der Leistungsaufnahme des Heizwiderstandes wird durch die Genauigkeit des verwendeten Spannungs- und Strommessgeräts bestimmt und auf Basis der Fehlerfortpflanzung berechnet.
Bild 4: Die Verlustleistung erwärmt Bauteile und Kühlkörper bis ein stationärer Zustand erreicht ist.
(Bild: ZHAW Züricher Hochschule für angewandte Wissenschaften)
Resultate und Genauigkeit der Messungen
Grundsätzlich wird die Genauigkeit der Messergebnisse durch die Genauigkeit des Temperaturregelsystems und durch die Messung des Eingangsstroms und der Eingangsspannung des Leistungswiderstands bestimmt. Die Innentemperatur des Kalorimeters wird durch die Leistung des Heizwiderstandes geregelt (Bild 2). Während der Messung konnte die Innentemperatur Tint auf eine maximale Standardabweichung von 32 mK bei einer Leistung Pout von 270 W und einer Temperaturdifferenz zwischen Klimakammer und Innenraum von 35 K geregelt werden.
Mit dem thermischen Widerstand des Kalorimeters im Betriebspunkt ergibt die Standardabweichung der Temperatur von 32 mK vom obigen Beispiel eine Leistungsgenauigkeit von 246 mW. Zusätzlich zu dieser Abweichung muss die Genauigkeit der Messgeräte für das Gesamtergebnis berücksichtigt werden. Bild 5 zeigt den Vergleich der gemessenen Wärmeverluste mit dem Kalorimeter und vier verschiedenen marktüblichen Power Analyzern.
Bild 5: Abweichungen der Ergebnisse verschiedener Power Analyzer über alle Leistungsstufen hinweg.
(Bild: ZHAW Züricher Hochschule für angewandte Wissenschaften)
Bild 5 zeigt auch deutlich die großen Abweichungen der Ergebnisse der verschiedenen verwendeten Power Analyzer über alle Leistungsstufen hinweg. Durch die hohe Betriebsfrequenz des Messobjektes ist die nach den Spezifikationen der Power Analyzer berechneten Messabweichung so groß, dass theoretisch auch negative Leistungswerte möglich sind. Unabhängig von der umgesetzten Leistung umfassen die Ergebnisse des Kalorimeters eine Ungenauigkeit von 1 W (nicht in Bild 5 enthalten).
Zusammenfassung und Ausblick: Das hier beschriebene Messprinzip bietet einen ergänzenden alternativen und genaueren Ansatz zur Bestimmung der Effizienz von hochfrequenten elektronischen Schaltungen und deren Teilsysteme. Diese Methode ist frequenzunabhängig, kann kleine Verluste genau messen und wird nicht durch harmonische Schwingungen höherer Ordnung oder Phasenfehler beeinflusst. Die Unsicherheit der Messung war in diesem Fall wesentlich kleiner als bei den vier zum Vergleich verwendeten Leistungsanalysatoren. Messungen mit dem hier vorgestellten Kalorimeter haben gezeigt, dass eine Genauigkeit von besser als 1 W bei einer Verlustleistung von 50 W erreicht werden kann, was zu einer Messgenauigkeit von 2% oder weniger führt. Die Messmethode wurde mit einem einfach zu messenden Gleichstromwiderstand als Referenzmessobjekt verifiziert.
Ein Nachteil dieser Methode ist, dass die Messung bei der hier vorgestellten Untersuchung nur im stationären Zustand möglich ist und es in diesem Fall mehr als eine Stunde dauert bis das System seinen thermischen stationären Zustand erreicht. Messungen sind deshalb sehr zeitintensiv und nur im stationären Zustand möglich. Zusätzlich wird eine Klimakammer als Wärmesenke (Text) benötigt. Die vorgestellte Methode könnte zur Validierung der Power Analyzer-Ergebnisse dienen oder bei statischen Verlustleistungsmessung Einsatz finden.
[1] D. R. Turner, K. J. Binns, B. N. Shamsadeen and D. F. Warne, "Accurate measurement of induction motor losses using balance calorimeter," in IEE Proceedings B - Elec-tric Power Applications, vol. 138, no. 5, pp. 233-242, Sept. 1991. [2] B. Szabados and A. Mihalcea, "Design and implementation of a calorimetric measurement facility for determining losses in electrical machines," IMTC 2001. Proceedings of the 18th IEEE Instrumentation and Measurement Technol-ogy Conference. Rediscovering Measurement in the Age of Informatics (Cat. No.01CH 37188), Budapest, 2001, pp. 1785-1790 vol.3. [3] D. Iero, F. G. D. Corte, G. Fiorentino and P. M. Sarro, "A calorimetry-based measurement apparatus for switching losses in high power electronic devices," 2016 IEEE Inter-national Energy Conference (ENERGYCON), Leuven, 2016, pp. 1-5. [4] P. D. Malliband, N. P. van der Duijn Schouten and R. A. McMahon, "Precision calorimetry for the accurate meas-urement of inverter losses," The Fifth International Confer-ence on Power Electronics and Drive Systems, 2003. PEDS 2003., 2003, pp. 321-326 Vol.1. [5] N. Simpson and A. N. Hopkins, "An accurate and flexible calorimeter topology for power electronic system loss measurement," 2017 IEEE International Electric Machines and Drives Conference (IEMDC), Miami, FL, 2017, pp. 1-6. [6] P. M. Meshram and R. G. Kanojiya, "Tuning of PID con-troller using Ziegler-Nichols method for speed control of DC motor," IEEE-International Conference On Advances In Engineering, Science And Management (ICAESM -2012), Nagapattinam, Tamil Nadu, 2012, pp. 117-122.
* Dominic Gübeli ehemaliger Master Student am Institut für Energiesysteme und Fluid-Engineering (ZHAW)
* Andreas Heinzelmann und Patrick Baumann forschen an der ZHAW Züricher Fachhochschule für angewandte Wissenschaften, Winterthur, Schweiz.