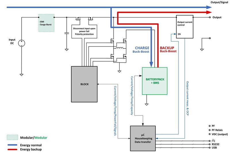
DC-USV-Systeme: Diese Faktoren gilt es bei Auswahl und Dimensionierung zu beachten

Zurück zum Artikel