Stromausfälle, Flicker, Schwankungen oder Spannungseinbrüche der 12V- bzw. 24V-DC-Stromversorgung können zu einer Kaskade von Problemen und Risikofaktoren führen, die es in der Industrie und Medizintechnik unbedingt zu vermeiden gilt.
Unterbrechungsfreie Stromversorgungen (USV) stellen in einer zunehmend komplexen und vernetzten Infrastruktur die ausfallsichere Verfügbarkeit prozessrelevanter Systeme und Komponenten sicher.
(Bild: Bicker Elektronik)
Für die unterbrechungsfreie Stromversorgung (USV) kommen immer öfter dezentrale und modulare DC-USV-Systeme zum Einsatz, welche direkt an der Maschine oder sogar in die Applikation integriert werden können. Im Gegensatz zu großen, zentralen USV-Einheiten sind diese kompakt ausgeführt und erreichen einen hohen Wirkungsgrad von bis zu 97 %. Gerade in der Industrie 4.0 / IIoT mit seiner verteilten Systemarchitektur, aber auch bei autarken Systemen ist dieser dezentrale Ansatz unumgänglich.
Die Anforderungen an eine DC-USV sind hierbei vielfältig und individuell. Nicht zuletzt soll eine derartige „Versicherung gegen Stromausfälle“ möglichst kostengünstig, langlebig, wartungsfrei, flexibel und zuverlässig umgesetzt werden. Um diese Ziele zu erreichen bedarf es einer genauen Analyse der Applikation und detaillierter Kenntnisse der Vor- und Nachteile unterschiedlicher Batterietechnologien, sowie einer gesamtheitlichen Betrachtung der TCO (Total Cost of Ownership).
„Auswahl der richtigen Batterietechnologie für langlebige und sichere DC-USV-Systeme“
Whitepaper
Das Whitepaper „Auswahl der richtigen Batterietechnologie für langlebige und sichere DC-USV-Systeme“ von Bicker Elektronik zeigt detailliert die technologischen Unterschiede und Auswahlkriterien für Energiespeicher auf. Supercaps, Lithium-Eisenphosphat-Zellen (LiFePO4), konventionelle Lithium-Ionen-Zellen (LCO/NMC), Reinblei-Zinn- sowie klassische Blei-Gel-Batterien werden hinsichtlich zahlreicher Parameter verglichen, u.a. Zellaufbau, Sicherheit, Energie- und Leistungsdichte, Lebensdauer, Strombelastbarkeit, Arbeitstemperaturbereich, Wartung, Transport und Lagerung sowie Initial-und Folgekosten.
(Bild: Bicker Elektronik)
Batterie- und Energiespeichertechnologien
Im Wesentlichen sind folgende Energiespeicher für den Einsatz in DC-USV-Systemen relevant: Supercaps (Ultrakondensatoren), konventionelle Lithium-Ionen-Zellen (LCO/NMC), Lithium-Eisen-Phosphat-Zellen (LiFePO4), Reinblei-Zinn-Batterien (Cyclon-Zellen) sowie klassische Blei-Gel-Batterien.
In Bild 2 sind zentrale Eigenschaften und Kriterien verschiedener Technologien im direkten Vergleich dargestellt. Für tiefergehende Informationen zu den technologischen Unterschieden und Auswahlkriterien der genannten Energiespeicher stellt Stromversorgungsspezialist Bicker Elektronik interessierten Lesern das umfangreiche Whitepaper „Auswahl der richtigen Batterietechnologie für langlebige und sichere DC-USV-Systeme“ kostenlos zur Verfügung. (www.bicker.de/whitepaper)
Im Kapitel kurzer und mittlerer Überbrückungszeiten beschreibt das Whitepaper Aufbau, Funktion und Beschaltung wartungsfreier Supercaps als hocheffiziente und besonders langlebige Energiespeicher mit hoher Leistungsdichte und mehr als 500.000 Lade- und Entladezyklen. Im Gegensatz zu Batterien, die Energie über den Umweg einer chemischen Reaktion speichern, basieren Supercaps auf elektrophysikalischen Prinzipien und sind innerhalb kürzester Zeit geladen und einsatzbereit.
Für längere Überbrückungszeiten bietet sich die Lithium-Ionen-Technologie mit hoher Energiedichte an (Bild 3). Bei der Auswahl eines Li-Ionen-Energiespeichers für DC-USV-Systeme empfiehlt sich jedoch ein genauer Blick auf das eingesetzte Kathodenmaterial. Gerade bei Zellen mit chemisch und thermisch instabilem Kathodenmaterial wie Lithium-Kobalt-Oxid (LCO) oder Lithium-Nickel-Mangan-Kobalt-Oxid (NMC) kann es unter bestimmten Bedingungen zu zellinternen exothermischen chemische Reaktionen kommen, die letztlich in einem unkontrollierbaren „Thermal Runaway“ enden – vielen Lesern sicherlich bekannt durch die Berichterstattung über brennende Mobiltelefone und Elektroautos.
Mit Lithium-Eisen-Phosphat (LiFePO4) steht für das Kathodenmaterial eine wesentlich stabilere chemische Verbindung mit erhöhter Sicherheit und einer rund zehnfach höheren Zyklenfestigkeit zur Verfügung. All diese Aspekte werden ausführlich im genannten Whitepaper behandelt.
Einfluss der Betriebstemperatur
Besteht die Möglichkeit DC-USV und Energiespeicher von der heißen Maschinenumgebung zu separieren, so sind klassische Lithium-Ionen-Batterien eine gute Wahl, da sie aufgrund der hohen Energiedichte verhältnismäßig kostengünstig sind.
Muss der Energiespeicher nah an der Maschine oder in einer wärmeren Umgebung platziert werden und damit höhere Einsatztemperaturen verkraften, eignen sich Lithium-Eisenphosphat-Batterien (LiFePO4) oder wartungsfreie Supercaps wesentlich besser.
Bei extrem niedrigen oder hohen Temperaturen und entsprechend großem Energiebedarf bieten sich schließlich Reinblei-Zinn-Zellen als besonders robuste und langlebige Energiespeicher an.
Bild 2: Batterietechnologien für DC-USV-Systeme im direkten Vergleich. Die Eigenschaften basieren auf herstellerspezifischen Beispielen. Die jeweiligen Parameter im Netzdiagramm werden von innen nach außen besser.
(Bild: Bicker Elektronik)
Generell gilt in diesem Zusammenhang die RGT-Regel (Reaktionsgeschwindigkeit-Temperatur-Regel), welche vereinfacht besagt, dass sich bei einer Temperaturerhöhung von 10 °C die Lebensdauer der Komponenten halbiert. Deshalb sollten der Analyse und Optimierung des Temperatur- und Wärmemanagements einer Applikation besonderes Augenmerk geschenkt werden, zumal dies nicht nur die Lebensdauer des Energiespeichers, sondern aller elektronischen Komponenten eines Endgerätes verlängert.
Applikationsspezifische Dimensionierung der DC-USV
Zunächst sollte im Rahmen der Dimensionierung eines DC-USV-Systems hinterfragt werden, welche Komponenten der Applikation bei einem Stromausfall tatsächlich abgesichert werden müssen. Beispielsweise kann in einem System der Anteil des Energieverbrauches für ein integriertes Display bei rund 40 % liegen. Das heißt, wenn das Display bei einem Stromausfall nicht zwingend weiter betrieben werden muss, sondern lediglich die Steuer- und Regeleinheit, lassen sich bis zu 40 % Batteriekapazität und somit Platz und Kosten einsparen.
Stand: 08.12.2025
Es ist für uns eine Selbstverständlichkeit, dass wir verantwortungsvoll mit Ihren personenbezogenen Daten umgehen. Sofern wir personenbezogene Daten von Ihnen erheben, verarbeiten wir diese unter Beachtung der geltenden Datenschutzvorschriften. Detaillierte Informationen finden Sie in unserer Datenschutzerklärung.
Einwilligung in die Verwendung von Daten zu Werbezwecken
Ich bin damit einverstanden, dass die Vogel Communications Group GmbH & Co. KG, Max-Planckstr. 7-9, 97082 Würzburg einschließlich aller mit ihr im Sinne der §§ 15 ff. AktG verbundenen Unternehmen (im weiteren: Vogel Communications Group) meine E-Mail-Adresse für die Zusendung von redaktionellen Newslettern nutzt. Auflistungen der jeweils zugehörigen Unternehmen können hier abgerufen werden.
Der Newsletterinhalt erstreckt sich dabei auf Produkte und Dienstleistungen aller zuvor genannten Unternehmen, darunter beispielsweise Fachzeitschriften und Fachbücher, Veranstaltungen und Messen sowie veranstaltungsbezogene Produkte und Dienstleistungen, Print- und Digital-Mediaangebote und Services wie weitere (redaktionelle) Newsletter, Gewinnspiele, Lead-Kampagnen, Marktforschung im Online- und Offline-Bereich, fachspezifische Webportale und E-Learning-Angebote. Wenn auch meine persönliche Telefonnummer erhoben wurde, darf diese für die Unterbreitung von Angeboten der vorgenannten Produkte und Dienstleistungen der vorgenannten Unternehmen und Marktforschung genutzt werden.
Meine Einwilligung umfasst zudem die Verarbeitung meiner E-Mail-Adresse und Telefonnummer für den Datenabgleich zu Marketingzwecken mit ausgewählten Werbepartnern wie z.B. LinkedIN, Google und Meta. Hierfür darf die Vogel Communications Group die genannten Daten gehasht an Werbepartner übermitteln, die diese Daten dann nutzen, um feststellen zu können, ob ich ebenfalls Mitglied auf den besagten Werbepartnerportalen bin. Die Vogel Communications Group nutzt diese Funktion zu Zwecken des Retargeting (Upselling, Crossselling und Kundenbindung), der Generierung von sog. Lookalike Audiences zur Neukundengewinnung und als Ausschlussgrundlage für laufende Werbekampagnen. Weitere Informationen kann ich dem Abschnitt „Datenabgleich zu Marketingzwecken“ in der Datenschutzerklärung entnehmen.
Falls ich im Internet auf Portalen der Vogel Communications Group einschließlich deren mit ihr im Sinne der §§ 15 ff. AktG verbundenen Unternehmen geschützte Inhalte abrufe, muss ich mich mit weiteren Daten für den Zugang zu diesen Inhalten registrieren. Im Gegenzug für diesen gebührenlosen Zugang zu redaktionellen Inhalten dürfen meine Daten im Sinne dieser Einwilligung für die hier genannten Zwecke verwendet werden. Dies gilt nicht für den Datenabgleich zu Marketingzwecken.
Recht auf Widerruf
Mir ist bewusst, dass ich diese Einwilligung jederzeit für die Zukunft widerrufen kann. Durch meinen Widerruf wird die Rechtmäßigkeit der aufgrund meiner Einwilligung bis zum Widerruf erfolgten Verarbeitung nicht berührt. Um meinen Widerruf zu erklären, kann ich als eine Möglichkeit das unter https://contact.vogel.de abrufbare Kontaktformular nutzen. Sofern ich einzelne von mir abonnierte Newsletter nicht mehr erhalten möchte, kann ich darüber hinaus auch den am Ende eines Newsletters eingebundenen Abmeldelink anklicken. Weitere Informationen zu meinem Widerrufsrecht und dessen Ausübung sowie zu den Folgen meines Widerrufs finde ich in der Datenschutzerklärung, Abschnitt Redaktionelle Newsletter.
Bild 3: Energie- und Leistungsdichtevergleich verschiedener Batterietechnologien.
(Bild: Bicker Elektronik)
Zur Berechnung der benötigten Batteriekapazität in Wattsekunden (Ws) oder Joule (J) multipliziert man für den USV-Betrieb die mittlere Leistungsaufnahme (W) mit der gewünschten Überbrückungszeit (s).
Die tatsächlich benötigte Batteriekapazität liegt jedoch höher als der rein rechnerisch ermittelte nominale Wert, da Wirkungsgradverluste und niedrigere Spannungen aufgrund von Temperaturänderungen berücksichtigt werden müssen, sowie die Tatsache, dass Batteriezellen in Abhängigkeit vom Entladestrom und der Temperatur unterschiedlich nutzbare Kapazitäten aufweisen und letztlich auch altern. Zudem kann die auf den Zellen angegebene Batteriekapazität in der Regel nicht voll genutzt werden, da die Einhaltung der Grenzwerte für Überspannung (OV) und Unterspannung (UV) immer eine gewisse Restkapazität erfordert.
Generell sollten immer auch Leistungsreserven eingeplant werden. Stromversorgungshersteller wie Bicker Elektronik setzen hierfür eigens programmierte Berechnungstabellen und -formeln ein, um all diese Parameter und entsprechende Sicherheitspuffer bei der Kapazitätsberechnung zu berücksichtigen.
Steuerungs- und Ladetechnik von DC-USV-Systemen
Neben der reinen Batterietechnik spielt auch die funktionale Ausstattung der Steuerungs- und Ladetechnik des DC-USV-Systems eine entscheidende Rolle. Beim DC-USV-System UPSI von Bicker Elektronik leitet die Steuerungseinheit der USV im Normalbetrieb die DC-Eingangsspannung direkt an den Ausgang weiter und lädt parallel den Energiespeicher. Die Power-Sharing-Funktion sorgt dafür, dass die vorgeschaltete AC/DC-Stromversorgung nicht überdimensioniert werden muss, sondern die Eingangsleistung konstant gehalten und entsprechend angepasst auf Last und Lader verteilt wird.
Das heißt, bei geringer Last am Ausgang fließt mehr Energie in den Lader und umgekehrt. Gleichzeitig misst und überwacht das DC-USV-System alle relevanten Parameter, Ströme und Spannungen. Unterschreitet die Eingangsspannung den unteren Schwellwert aufgrund starker Spannungsschwankungen oder eines kompletten Stromausfalls trennt ein MOSFET den Eingang ab und der DC-Ausgang bzw. die angeschlossene Last wird aus dem Energiespeicher heraus versorgt.
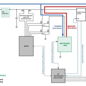
Der Wechsel vom Netz- in den Backup-USV-Betrieb erfolgt innerhalb weniger Mikrosekunden. Für den Lade- und Entladeprozess wurde beim UPSI-System ein bidirektionaler Wandler (Buck-Boost) als zentrales Element implementiert (Bild 4). Dadurch ist es möglich, Bauteile und Kosten einzusparen, sowie gleichzeitig einen effizienten und sicheren Betrieb zu gewährleisten.
Bild 4: Das DC-USV-System UPSI von Bicker Elektronik enthält als zentralen Funktionsbaustein einen bidirektionalen Buck-Boost-Wandler.
(Bild: Bicker Elektronik)
Echtzeit-Monitoring und Reboot-Funktion
Intelligente DC-USV-Systeme verfügen über ein Echtzeit-Monitoring und können mittels integrierter Kommunikationsschnittstellen fernüberwacht und -gesteuert werden. Mit Hilfe der USV-Management-Software lassen sich Betriebsdaten übersichtlich visualisieren, Parameter anpassen und mögliche Alarm- und Hinweisroutinen definieren. Die individuelle Einbindung und Überwachung kann zudem mit Hilfe umfangreicher Befehlssätze auf Basis des Kommunikationsprotokolls umgesetzt werden. Für PC-basierte Applikationen sollte seitens der DC-USV die Möglichkeit bestehen, das System bei längerer Absenz der Versorgungsspannung kontrolliert herunterzufahren und wichtige Betriebsdaten zu sichern. Eine automatische Trennung des Batteriepacks nach erfolgtem Shut-Down verhindert, dass der Energiespeicher durch den Wandler weiter belastet wird und so in die Tiefenentladung gerät.
Die integrierte Reboot-Funktion leitet nach wiederkehrender Versorgungsspannung selbstständig den Neustart des PC-Systems ein, ohne dass eine aufwendige Vorort-Intervention eines Service-Mitarbeiters notwendig wäre, z. B. bei vollkommen autarken Rechnersystemen an unzugänglichen Standorten. Zusätzlich erlaubt eine Batterie-Start-Funktion den (getrennten) Energiespeicher bei Bedarf auch manuell zu aktivieren und die Applikation initial aus der Batterie heraus zu starten, um beispielsweise eine Diagnose durchzuführen.
Flexibler Einsatz verschiedener Batterietechnologien
Damit die DC-USV flexibel mit verschiedenen Batteriechemien eingesetzt werden kann, sollten drei Ladeverfahren mit individueller Anpassung der Ladeschlussspannung implementiert sein: Constant Current, Constant Voltage und Constant Power.
Bild 5: Ein Batterie-Management-IC im Energiespeicher kommuniziert über eine I²C-Datenverbindung mit der DC-USV-Steuereinheit, welche die Lade- und Entladeparameter auf den entsprechenden Energiespeicher anpasst.
(Bild: Bicker Elektronik)
Beim UPSI-System verfügt jeder Energiespeicher über ein Batteriemanagement-IC, das via I²C-Bus mit der USV-Steuerelektronik kommuniziert (Bild 5). Ein Mikrocontroller (µC) erkennt Art und Daten des Akkus und passt die Lade- und Entladeparameter an. Somit kann ein Kunde sich auch zu einem späteren Zeitpunkt für eine andere Batterietechnologie entscheiden. Durch die Hot-Swap-Funktion lässt sich der Energiespeicher sogar während des Betriebs wechseln.
Batterie-Management-System (BMS) mit Cell-Balancing
Bild 6: Das Batterie-Management-System (BMS) steuert und überwacht den gesamten Lade- und Entladevorgang.
(Bild: Bicker Elektronik)
Insbesondere beim Einsatz von Lithium-Ionen-Energiespeichern ist hinsichtlich der Optimierung von Lebensdauer und Sicherheit ein Batterie-Management-System (BMS) zwingend notwendig. Das BMS überwacht und steuert den kompletten Lade- und Entladevorgang jeder Batteriezelle des Energiespeichers (Bild 6).
Eine wichtige Kernaufgabe des BMS ist das sogenannte Cell-Balancing. Innerhalb eines Energiespeichers werden zur Erhöhung der Nennspannung mehrere Einzelzellen in Reihe geschaltet. Aufgrund von Fertigungstoleranzen und unterschiedlich starker Alterung der Zellen unterscheiden sich diese in Kapazität und Innenwiderstand. Die Leistungsfähigkeit und Gesamtkapazität des Lithium-Ionen-Batteriepacks richtet sich in diesem Fall nach der „schwächsten“ Zelle im Verbund, da diese beim Ladevorgang als erste den Spannungsgrenzwert für die Ladebegrenzung erreicht und somit die vollständige Aufladung der restlichen Zellen verhindert (Bild 7).
Bild 7: Das Cell-Balancing gleicht die Ladekurven einzelner Zellen an, so dass die maximale Kapazität des Batteriepack erreicht wird.
(Bild: Bicker Elektronik)
Das Cell-Balancing (aktiv oder passiv) gleicht diese Unterschiede zwischen den einzelnen Verbund-Batteriezellen durch entsprechende Beschaltung aus und sorgt für eine ausgewogene und gleichmäßige Ladung aller Zellen, so dass die volle Kapazität des Energiespeichers nutzbar bleibt, sowie Zyklenanzahl und Lebensdauer erhöht werden.
Batterie-Relax-Modus verlängert Lebensdauer von Lithium-Ionen-Batterien
Mit dem Batterie-Relax-Modus greift Bicker Elektronik die Problematik auf, dass in sehr vielen DC-USV-Systemen der Batteriepack oft über sehr lange Zeit (ggf. über Monate) auf Ladeschlussspannung am Lader betrieben wird, um die volle USV-Bereitschaft jederzeit zu gewährleisten. Wenn jedoch Lithium-Ionen-Zellen über derart lange Zeiträume unter ständiger Belastung im Ladeschluss-Zustand bleiben, nimmt die Lebensdauer der Zellen nach einigen Monaten stark ab.
Zur Schonung der Zellen ist es daher notwendig, dass nach einer definierten Zeit der Lade-MOSFET bei Ladeschluss deaktiviert wird. Der Entlade-MOSFET bleibt weiterhin aktiv, so dass eine Entladung jederzeit möglich ist. Bei detektierter Entladung (USV-Betrieb nach Stromausfall) wird der zuvor deaktivierte Lade-MOSFET unmittelbar wieder zugeschaltet, so dass der Stromfluss über die Body-Diode nur wenige Mikrosekunden andauert und der Lader in den regulären Betriebsmodus zurückkehrt. Die Schonung des Batteriepacks durch den Relax-Modus resultiert in einer deutlich verlängerten Lebensdauer und somit einer erhöhten Systemverfügbarkeit.
Bauformen und Einsatzgebiete
Bild 8: Das Supercap-DC-USV-Modul UPSIC kann zur Absicherung von Aktoren, Sensoren oder kompakter Embedded-Computersysteme direkt in die Applikation integrierte werden.
(Bild: Bicker Elektronik)
Für die Implementierung von DC-USV-Systemen bieten sich entweder besonders kompakte Bauformen, welche alle Komponenten auf einem Modul vereinen oder modular aufgebaute DC-USV-Systeme an.
Beispielsweise kann das Supercap-DC-USV-Modul der UPSIC-Serie (Bild 8) mit einer Grundfläche von 135 x 79,5 mm direkt in kompakte Robotik- und Automatisierungssysteme zur Absicherung einzelner Aktoren oder Sensoren integriert werden oder Low-Power-Embedded-Computersysteme absichern.
Bei größerem Energiebedarf, z. B. in der Steuerungs-, Sicherheits- und Regeltechnik, bieten sich modulare und flexible DC-USV-Systeme mit separaten Energiespeichern an. Diese können bei Bedarf zu einem späteren Zeitpunkt gegen Energiespeicher höherer Kapazität oder mit alternativer Batterietechnologie ausgetauscht werden.
Für die Anwendung der genannten DC-USV-Lösungen innerhalb von Schaltschränken bieten Hersteller wie Bicker Elektronik neben voll integrierbaren Open-Frame-Versionen auch besonders robuste und geschlossene DIN-Rail-Versionen der Energiespeicher mit Aluminiumgehäuse und Schnell-Montage-Halterung für die Hutschiene an (Bild 9).
Bild 9. Für Anwendungen mit größerem Energiebedarf eignen sich modulare DC-USV-Systeme. Bicker Elektronik bietet neben Open-Frame-Lösungen auch modulare DIN-Rail-Versionen.
(Bild: Bicker Elektronik)
Fazit: In Anbetracht der höchst unterschiedlichen Anforderungsprofile an eine unterbrechungsfreie DC-Stromversorgung sollte bei der Auswahl eines DC-USV-Systems zunächst immer die individuelle Design-In-Beratung und applikationsspezifische Konzeption gemeinsam mit dem Stromversorgungshersteller stehen.
Eine flexibel einsetzbare Steuerungs- und Ladeelektronik vorausgesetzt gilt es, einen passenden Energiespeicher hinsichtlich Zuverlässigkeit, Sicherheit, Lebensdauer, Leistungsfähigkeit und Kosten zu definieren.
Bei der Beurteilung der Investitionskosten sollte insbesondere die Betrachtung der TCO (Total-Cost-Of-Ownership) über die gesamte Nutzungsdauer eines industriellen oder medizintechnischen Systems im Mittelpunkt stehen.
Vermeintlich günstige Batterietechnologien können sich unter bestimmten Anwendungsbedingungen bereits nach kurzer Einsatzdauer durch hohen Wartungsaufwand oder gar frühzeitigen Ausfall als Mehrkosten- und Unsicherheitsfaktor entpuppen.
Hingegen kann ein durchdachtes und bedarfsgerechtes Konzept hinsichtlich der tatsächlich abzusichernden Komponenten die Gesamtkosten für das DC-USV-System deutlich senken, ohne das Risiko zu erhöhen.
Buchtipp
Auf dem Stand der aktuellen Technik vermittelt das Fachbuch Akkuwelt das Basiswissen zur Batterie-Technologie und bietet einen Überblick über die Entwicklung, den Bau und die Anwendung von Batterien. Außerdem gibt das Buch einen Einblick in potenzielle und zukünftige Entwicklungstendenzen.