Schaltvorgänge in LeistungshalbleiternSoft-Switching macht EV-Antriebsstrang effizienter
Von
Bruce Renouard*
6 min Lesedauer
Mithilfe Künstlicher Intelligenz (KI) passt eine neuartige Soft-Switching-Architektur das Timing der Ein- und Ausschaltvorgänge in Wechselrichtern für Elektrofahrzeuge kontinuierlich den Randbedingungen an – und sorgt so für „echtes“ Soft-Switching.
Hard Switching mit direktem Ein- und Ausschalten der Transistoren verursacht Leistungsverluste während des Schaltvorgangs bei anliegender Spannung. Soft Switching kann diese Verluste nahezu vollständig eliminieren.
(Bild: Pre-Switch)
Um maximale Reichweite und minimale Ladezeiten erreichen zu können, müssen Antriebswechselrichter und Ladeschaltungen für Elektrofahrzeuge (EVs) so effizient wie möglich sein. Kein Wunder also, dass sich die EV-Industrie sehr für Soft-Switching der Leistungshalbleiter in Antriebswechselrichter und Ladeschaltung interessiert, denn dieses Schaltverfahren verspricht einen sehr hohen Wirkungsgrad über den gesamten Lastbereich. Seit vielen Jahren werden verschiedene Soft-Switching-Architekturen erörtert, aber bis vor kurzem war das Verfahren bei hohen Frequenzen nicht praktikabel. Ein neuer Ansatz mit einer KI-gesteuerten Zwangsresonanztopologie ermöglicht nun Wechselrichter mit einem Wirkungsgrad von 98,5 Prozent bei 5 Prozent Last und 99,57 Prozent in der Spitze, was die Reichweite von EVs um bis zu 12 Prozent erhöhen kann.
Beim Hard-Switching werden die Zieltransistoren direkt ein- und ausgeschaltet. Dieser Ansatz ermöglicht einen sehr einfachen Aufbau, führt aber zu Schaltverlusten, wenn die Transistoren unter Spannung (also nicht im Spannungs-Nulldurchgang) ein- und ausschalten (siehe Bild 1 links). Bei den in Elektroautos eingesetzten Hochspannungstransistoren sind diese Verluste erheblich – und darüber hinaus erfordert Hard-Switching in der Regel eine niedrigere Schaltfrequenz, die elektromagnetischen Störungen (EMI) nehmen zu, und Größe und Gewicht von Komponenten wie Zwischenkreiskondensatoren können so stark ansteigen, dass sie bis zu 60 Prozent des Volumens des Wechselrichters einnehmen. In Summe führen diese Eigenschaften zu einem geringeren Wirkungsgrad und höheren Systemkosten.
Bild 1: Hard Switching verursacht Leistungsverluste während des Schaltvorgangs (links), die beim Soft Switching (rechts) nahezu vollständig eliminiert werden.
(Bild: Pre-Switch)
Im Gegensatz dazu werden beim Soft-Switching die Transistoren im Nulldurchgang der Spannung ein- und ausgeschaltet (Nullspannungsschalten, Bild 1 rechts). Eine Selbst- oder Zwangsresonanzschaltung sorgt für dieses effektive Umschalten der Transistoren – mit praktisch eliminierten Schaltverlusten, reduzierter EMI und deutlich höherem Wirkungsgrad. Allerdings wurde Soft-Switching nie für galvanisch getrennte AC/DC- und DC/AC-Leistungswandler perfektioniert, sodass diese Topologie bisher auf nicht-isolierte Leistungswandler mit niedriger Eingangsspannung und geringem Ausgangslastbereich beschränkt war. Die Herausforderung bestand darin, sicherzustellen, dass die Transistoren immer genau an dem Punkt ein- und ausschalten, an dem die Spannung Null ist, und zwar unter Berücksichtigung vieler unterschiedlicher Faktoren wie Eingangsspannung, Ausgangslast, Toleranzen der Bauelemente und Temperaturschwankungen. Dies ist der Kern des neuen Ansatzes von Pre-Switch: Hier kommt Künstliche Intelligenz (KI) zum Einsatz, um all diese Variablen zu überwachen und das Timing zyklusweise anzupassen – und so „echtes“ Soft-Switching zu erreichen.
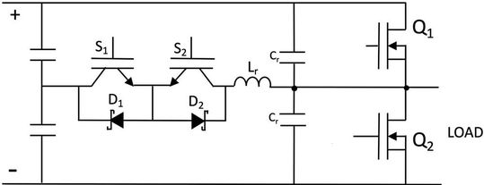
Variante der ARCP-Wandlertopologie
Bild 2: ARCP (Auxiliary Resonant Commutated Pole) ist eine konventionelle Wechselrichter-Topologie mit einer Hilfsschaltung, die den Hauptwechselrichter sanft schaltet.
(Bild: Pre-Switch)
Bei seinem Verfahren setzt Pre-Switch auf eine Variante der „Auxiliary Resonant Commutated Pole“ (ARCP) Soft-Switching-Wandlertopologie – im Wesentlichen eine konventionelle Wechselrichter-Topologie mit einer Hilfsschaltung, die den Hauptwechselrichter sanft schaltet (Bild 2). Dafür aktiviert die Topologie die Hilfsschalter vor den Hauptleistungsausgangsschaltern, damit diese einen Strom in der Hilfsdrossel erzeugen. Dieser Strom generiert wiederum den für das Soft-Switching der Hauptwechselrichterschalter erforderlichen Zustand. Die Hilfsschalter werden bei Nullstrom ein- und ausgeschaltet, während die Hauptschalter bei Nullspannung geschaltet werden.
Die von Pre-Switch entwickelte ausgefeilte, eingebettete KI führt dynamisch alle komplexen Timing-Berechnungen durch, die bei wechselnden Betriebsbedingungen erforderlich sind, und beseitigt so die bisherigen Einschränkungen des ARCP-Soft-Switching. Der Steuerungsalgorithmus kann jede Art von Leistungsschalter ansteuern, darunter IGBTs und MOSFETs auf Basis von Silizium, Galliumnitrid (GaN) und Siliziumkarbid (SiC). Mit der Pre-Switch-Topologie können Antriebssysteme auf Basis von Industriestandard-IGBTs und -MOSFETs gleichziehen mit SiC- und GaN-Systemen oder diese übertreffen.
In Zusammenarbeit mit einem Cleanwave 200-kW-Referenzwechselrichter von Pre-Switch wandelt die KI 800 V Gleichspannung bidirektional in dreiphasigen Wechselstrom um, mit einer Leistung von bis zu 200 kVA bei einer Schaltfrequenz von 100 kHz und einem Wirkungsgrad von 99 Prozent. Doppelpuls-Testdaten des Cleanwave-Wechselrichters zeigen, dass die Pre-Switch-Soft-Switching-Plattform – bestehend aus der Pre-Drive-3-Steuerungsplatine, die vom Pre-Flex-FPGA gesteuert wird, und der RPG-Gate-Treiberplatine – die gesamten Systemschaltverluste um 90 Prozent oder mehr verringert.
Stand: 08.12.2025
Es ist für uns eine Selbstverständlichkeit, dass wir verantwortungsvoll mit Ihren personenbezogenen Daten umgehen. Sofern wir personenbezogene Daten von Ihnen erheben, verarbeiten wir diese unter Beachtung der geltenden Datenschutzvorschriften. Detaillierte Informationen finden Sie in unserer Datenschutzerklärung.
Einwilligung in die Verwendung von Daten zu Werbezwecken
Ich bin damit einverstanden, dass die Vogel Communications Group GmbH & Co. KG, Max-Planckstr. 7-9, 97082 Würzburg einschließlich aller mit ihr im Sinne der §§ 15 ff. AktG verbundenen Unternehmen (im weiteren: Vogel Communications Group) meine E-Mail-Adresse für die Zusendung von redaktionellen Newslettern nutzt. Auflistungen der jeweils zugehörigen Unternehmen können hier abgerufen werden.
Der Newsletterinhalt erstreckt sich dabei auf Produkte und Dienstleistungen aller zuvor genannten Unternehmen, darunter beispielsweise Fachzeitschriften und Fachbücher, Veranstaltungen und Messen sowie veranstaltungsbezogene Produkte und Dienstleistungen, Print- und Digital-Mediaangebote und Services wie weitere (redaktionelle) Newsletter, Gewinnspiele, Lead-Kampagnen, Marktforschung im Online- und Offline-Bereich, fachspezifische Webportale und E-Learning-Angebote. Wenn auch meine persönliche Telefonnummer erhoben wurde, darf diese für die Unterbreitung von Angeboten der vorgenannten Produkte und Dienstleistungen der vorgenannten Unternehmen und Marktforschung genutzt werden.
Meine Einwilligung umfasst zudem die Verarbeitung meiner E-Mail-Adresse und Telefonnummer für den Datenabgleich zu Marketingzwecken mit ausgewählten Werbepartnern wie z.B. LinkedIN, Google und Meta. Hierfür darf die Vogel Communications Group die genannten Daten gehasht an Werbepartner übermitteln, die diese Daten dann nutzen, um feststellen zu können, ob ich ebenfalls Mitglied auf den besagten Werbepartnerportalen bin. Die Vogel Communications Group nutzt diese Funktion zu Zwecken des Retargeting (Upselling, Crossselling und Kundenbindung), der Generierung von sog. Lookalike Audiences zur Neukundengewinnung und als Ausschlussgrundlage für laufende Werbekampagnen. Weitere Informationen kann ich dem Abschnitt „Datenabgleich zu Marketingzwecken“ in der Datenschutzerklärung entnehmen.
Falls ich im Internet auf Portalen der Vogel Communications Group einschließlich deren mit ihr im Sinne der §§ 15 ff. AktG verbundenen Unternehmen geschützte Inhalte abrufe, muss ich mich mit weiteren Daten für den Zugang zu diesen Inhalten registrieren. Im Gegenzug für diesen gebührenlosen Zugang zu redaktionellen Inhalten dürfen meine Daten im Sinne dieser Einwilligung für die hier genannten Zwecke verwendet werden. Dies gilt nicht für den Datenabgleich zu Marketingzwecken.
Recht auf Widerruf
Mir ist bewusst, dass ich diese Einwilligung jederzeit für die Zukunft widerrufen kann. Durch meinen Widerruf wird die Rechtmäßigkeit der aufgrund meiner Einwilligung bis zum Widerruf erfolgten Verarbeitung nicht berührt. Um meinen Widerruf zu erklären, kann ich als eine Möglichkeit das unter https://contact.vogel.de abrufbare Kontaktformular nutzen. Sofern ich einzelne von mir abonnierte Newsletter nicht mehr erhalten möchte, kann ich darüber hinaus auch den am Ende eines Newsletters eingebundenen Abmeldelink anklicken. Weitere Informationen zu meinem Widerrufsrecht und dessen Ausübung sowie zu den Folgen meines Widerrufs finde ich in der Datenschutzerklärung, Abschnitt Redaktionelle Newsletter.
Zu Beginn des ersten Schaltzyklus wertet der KI-Controller mehrere Eingänge aus, um festzustellen, in welchem Modus sich das System befindet, und nimmt anschließend eine sichere, aber noch nicht optimale Schätzung der für das sanfte Schalten erforderlichen Resonanzzeit vor. Beim nächsten Schaltzyklus werden alle KI-Eingänge und die resultierenden Ausgänge aus dem ersten Schaltzyklus erneut genau gemessen und ausgewertet. Es wird ein zweiter konservativer Resonanzzeitraum ausgegeben, ähnlich wie beim ersten Schaltzyklus. Im darauffolgenden, dritten Schaltzyklus ist der KI-Algorithmus nun quantitativ zuverlässig und in der Lage, das optimierte Resonanz-Timing vorherzusagen, um ein vollständiges Soft-Switching zu gewährleisten, und so die Verluste in allen Aspekten des Systems zu minimieren. Im vierten Schaltzyklus vergleicht die KI dann die Systemeingaben und die Ergebnisse der vorherigen Schaltzyklen und passt das Resonanz-Timing entsprechend an, um das Soft-Switching bei steigendem Laststrom vollständig zu optimieren. Bild 3 zeigt ein Oszillogramm des Resultats.
Bild 3: Nach wenigen Schaltzyklen hat die Künstliche Intelligenz das Soft-Switching auf Basis der Ergebnisse der vorherigen Zyklen vollständig optimiert.
(Bild: Pre-Switch)
Diese Ein- und Ausgangsdaten werden zusammen mit den vorherigen Schaltzyklen und den daraus resultierenden Resonanzzeiten gespeichert, um die Genauigkeit und Systemoptimierung zu verbessern. In den nachfolgenden Zyklen wird die Genauigkeit des Soft-Switching weiter optimiert, gespeichert und mit den gewünschten Ergebnissen verglichen, die zur Aufrechterhaltung eines genauen Zwangsresonanz-Soft-Switching erforderlich sind. Änderungen der Systemtemperatur, der Eingangsspannung, des Ausgangslaststroms und der Degradation des Bauelements werden im ständig aktualisierten KI-Algorithmus berücksichtigt und optimiert.
Die dynamische, sanft schaltende Steuerungs-KI ist in den programmierbaren Pre-Flex-ICs von Pre-Switch untergebracht. Durch die Einbindung eines Remote-Boot-Codes in den Chip kann Pre-Switch die KI zu jedem beliebigen Zeitpunkt während der Lebensdauer eines EVs oder eines anderen Produkts aktualisieren und so sicherstellen, dass dessen Leistung stets optimal ist. Die Pre-Flex-ICs enthalten jetzt auch ein integriertes digitales Deep View Oszilloskop, mit dem die Entwickler eine genaue Ferndiagnose stellen und dann vor Ort Anpassungen vornehmen können. Traces lassen sich aufzeichnen und exportieren, um zu sehen, wie sich das System verhält. Wenn Probleme auftreten, ermöglicht Deep View den Entwicklern, die Gründe dafür zu verstehen, sodass sie entsprechende Maßnahmen ergreifen können. Künftig wäre es zudem möglich, mithilfe der Rückmeldungen von Deep View und Remote-Programmierung Programme zur vorbeugenden Wartung zu implementieren.
Vorteile von Soft-Switching-Wechselrichtern
Die praktische Umsetzung von Soft-Switching bringt enorme Vorteile für den Antriebsstrang. So eliminiert Soft-Switching effektiv die Schaltverluste für Wide-Bandgap-Bauteile (WBG) wie SiC- und GaN-Transistoren und verringert die IGBT-Schaltverluste um etwa 65 bis 80 Prozent, was zu einem Wechselrichter mit höherem Wirkungsgrad führt – insbesondere in den unteren Betriebspunkten von Wechselrichtern, wo die Schaltverluste die Gesamtverluste dominieren, aber auch in der Spitze sowie im Durchschnitt. Zudem sinken die Kosten, da bei gleichem Transistorverlustbudget mehr Strom durch einen Transistor fließen kann. Und weil die Transistoren bei niedrigeren Temperaturen arbeiten, sind auch die Leitungsverluste der Transistoren um zwei Größenordnungen geringer. Beide Faktoren zusammen reduzieren Kosten und Größe eines Wechselrichters.
Call for Papers: Forum Elektrische Antriebstechnik
Als Teil der Dachveranstaltung „Power of Electronics“ wird das Praxisforum Elektrische Antriebstechnik am 12. September 2024 in Würzburg erneut die Brücke schlagen zwischen Technikforschung und Anwendung. Renommierte Referenten aus Wissenschaft und Industrie sind aufgefordert, komplexes interdisziplinäres Wissen und aktuelle Erkenntnisse rund um die Antriebstechnik zu vermitteln.
Sie haben ein relevantes und praxisorientiertees Thema? Wir freuen uns auf Ihren Vorschlag!
Ohne Schaltverluste können zudem die Schaltgeschwindigkeiten von Wechselrichtern, die heute auf etwa 10 bis 15 kHz beschränkt sind, bei gleichem oder höherem Wirkungsgrad auf 50 bis 100 kHz steigen. Dadurch kann der Motor mit einer Sinuswelle hoher Qualität angesteuert werden, der Wirkungsgrad des Motors steigt; Größe und Kosten des Zwischenkreiskondensators können um bis zu 90 Prozent sinken, hörbare Geräusche verschwinden und Gleichtaktstörströme zwischen Rotor und Stator des Motors werden verringert, die bekanntermaßen die Motorlager zerstören. Soft-Switching ermöglicht leichtere und kostengünstigere Wechselrichter, da sich diskrete Transistoren anstelle von schweren und teuren Leistungsmodulen erinsetzen lassen. Und die Pre-Switch-Technologie eliminiert elektromagnetische Störungen praktisch vollständig, da jeder Transistor spannungs- und stromlos ein- und ausgeschaltet wird.
Vorteile von Soft-Switching für die Motoren
Im Vergleich mit einem Hard-Switching-Design reduziert ein Soft-Switching-Wechselrichter die Verzerrung des Sinusausgangs und die dadurch verursachten Rippelströme um das 10-fache, so dass die Motoren effizienter laufen – vor allem bei niedrigeren Drehzahlen und geringeren Drehmomenten, also in den Bereichen, in denen Elektrofahrzeuge angetrieben werden. Dadurch steigt deren Reichweite. Zudem lässt sich der dV/dt-Wert des Wechselrichters mit einem verlustfreien dV/dt-Filter konfigurieren. Geringeres dV/dt, also geringere Flankensteilheit, eliminiert das Problem übermäßiger dV/dt-Transienten, bedeutet höhere Zuverlässigkeit des Motors und erlaubt eine reduzierte Isolierung der Motorwicklung, was wiederum Motoren mit höherer Leistungsdichte ermöglicht.
Zudem können die Motoren durch die schnelleren Schaltgeschwindigkeiten schneller drehen, sodass oft ein günstigerer, leichterer Motor mit höherer Drehzahl einsetzbar ist. Und es lassen sich Motoren mit niedriger Induktivität einsetzen, die kleiner und leichter sind und weniger kosten – weniger Eisen in den Windungen ist besonders vorteilhaft für Anwendungen wie Elektroflugzeuge, bei denen es auf jedes Kilogramm ankommt. (cg)