Leistungsschalter aus SiliziumkarbidMehr Leistung für Rechenzentren
Ein Gastbeitrag von
Qorvo
11 min Lesedauer
Rechenzentren benötigen AC/DC-Netzteile mit hohem Wirkungsgrad und hoher Leistungsdichte. In diesem Artikel werden die Umwandlungstopologien untersucht, die eingesetzt werden können, um dies zu erreichen, und es wird beleuchtet, wie Siliziumkarbid-SiC-FET-Schalter dabei effektiv zum Tragen kommen können.
Bild 1: Ein moderner Ansatz für eine hocheffiziente AC/DC-Umwandlung.
(Bild: Qorvo)
Im Laufe der Jahre hat sich der Bedarf an hoher Rechenleistung in Rechenzentren durch KI, maschinelles Lernen, Cloud-Computing, Kryptowährungs-Mining und durch alltägliche Anwendungen wie Video-Streaming und Gaming stark erhöht. Dies hat dazu geführt, dass laut der Internationalen Energieagentur (IEA) Rechenzentren im Jahr 2020 für 0,9 Prozent der globalen Treibhausgasemissionen und im Jahr 2022 für 1–1,3 Prozent des globalen Strombedarfs, also 240–340 TWh, verantwortlich waren [1]. Diese Auswirkungen unterscheiden sich von Land zu Land erheblich. Im Fall von Irland entfallen ganze 18 Prozent des Energieverbrauchs auf den Betrieb von Rechenzentren. Anwendungen wie etwa ChatGPT beschleunigen diesen Trend zu höherem Energieverbrauch noch zusätzlich, da allein die „Trainingsphase“ Berichten zufolge 1,2 TWh verbraucht und im Betrieb etwa 564 MWh pro Tag erfordert, so de Vries [2]. Auch die Hardware hat sich entsprechend weiterentwickelt. Wobei es allein den Fachleuten aus Konstruktion und Entwicklung, die an der Steigerung der Effizienz arbeiten, zu verdanken ist, dass der Energieverbrauch von Rechenzentren laut IEA zwischen 2015 und 2022 nur um 20–70 Prozent gestiegen ist, während bei der Arbeitslast ein Anstieg um 340 Prozent zu verzeichnen war. Allerdings stößt die Leistungsdichte in Rechenzentren langsam an ihre Grenzen, da die Serverschränke, wenn die aktuelle Entwicklung so weitergeht, schon bald 100 kW an Wärme abgeben werden, was gegenüber den 30–40 kW heute eine deutliche Erhöhung darstellen wird. Die AC/DC-Netzteile, die den Strom liefern, befinden sich in der Regel in Racks am Boden des Schranks und tragen durch Umwandlungsverluste zur Wärmeentwicklung bei. Diese Verluste müssen minimiert werden, um die Temperaturen in einem vernünftigen Rahmen zu halten und die Kosten einzudämmen. Die Netzteile müssen außerdem so klein wie möglich sein, um Platz für mehr Server-Blades zu schaffen und so die Rechenleistung pro Quadratmeter Bodenfläche zu erhöhen – eine wichtige Kennzahl in Rechenzentren. Daher ist das Erreichen einer hohen Leistungsdichte zum Ziel bei der Konstruktion von Netzteilen geworden. Dies erfordert eine Kombination aus hoher Umwandlungseffizienz und kleinen Komponenten bei magnetischen Bauelementen.
Standards für Wirkungsgrad und Größe
Es wurden Standards für Wirkungsgrad und Leistungsdichte eingeführt, beispielsweise die bekannte 80-Plus-Reihe für den Wirkungsgrad bei unterschiedlichen Last- und Eingangsspannungen. Heute wird die höchste Zertifizierung erwartet, „Titanium“, die einen ganzheitlichen Wirkungsgrad von mindestens 96 Prozent für Geräte mit einem Ausgang und einer Nennspannung von 230 VAC bei 50 Prozent Last vorschreibt. Der hohe Wirkungsgrad muss außerdem über den gesamten Lastbereich erhalten bleiben – mindestens 90 Prozent bei 10 Prozent Last und 94 Prozent bei Volllast. Die europäische Verordnung 2019/424 oder „Lot 9“ schreibt seit dem 1. Januar 2024 nun ebenfalls den Titanium-Standard vor. Auch das physische Format ist definiert, wie z. B. die Common Redundant Power Supply Specification (CPRSS), die im Rahmen des „Open Compute“-Projekts von Mitgliedern wie Google, Meta, Intel, Microsoft und Dell festgelegt wurde. Der Standard gilt für austauschbare redundante Einheiten, die in eine 1U-Rackhöhe (40 mm), 73,5 mm Breite und 195 mm Tiefe passen müssen. Die Ausgangsspannung beträgt 12 V für die weitere Verteilung und die verfügbare Leistung soll im Bereich von mehreren kW liegen, was einer Leistungsdichte von über 100 W/Kubikzoll (etwa 6,1 W/cm³) entspricht. Die Architekten von Rechenzentren suchen ständig nach Möglichkeiten zur Verbesserung der Effizienz mittels der Kennzahlen für Energieeffizienz (Power Usage Effectiveness – PUE) und Wassernutzungseffizienz (Water Use Effectiveness – WUE) für die gesamte Anlage, einschließlich der Gemeinkosten wie Kühlung. Ein Ansatz, der in der Vergangenheit von Meta beispielsweise im Rahmen des Open-Compute-Projekts untersucht wurde, bestand darin, jeden Schrank mit 275 VAC zu versorgen und diesen Eingangsstrom dann unter Einbeziehung einer lokalen USV in 48 V umzuwandeln [3]. Die Technologie, um 48 V direkt auf bis zu unter 1 V für die Leiterplatten-IC-Lasten mit oder ohne Isolierung herunter zu transformieren, gibt es zwar, aber viele Leiterplatten sind mit einem Zwischenbus ausgestattet, der typischerweise mit 12 V läuft, um die endgültige „Point-of-Load“-Umwandlung effizienter zu machen. Die Versorgung der Schränke mit Gleichstrom von beispielsweise 400 V wurde ebenfalls untersucht, doch es gibt eine weitreichende Infrastruktur, die um die Wechselstromversorgung herum aufgebaut ist und deren Umstellung teuer wäre. Außerdem benötigen Zusatzgeräte wie Lüfter, Klimaanlagen und Kühlpumpen als Standardteile meistens ohnehin Wechselstrom. Die Gleichstromversorgung würde eine Steigerung der Gesamteffizienz ermöglichen und könnte für neu gebaute Rechenzentren in Betracht gezogen werden.
Bei jeder Systemarchitektur sind eine AC/DC-Umwandlung mit Leistungsfaktorkorrektur und in der Regel noch weitere Stufen der DC/DC-Umwandlung erforderlich. Da nun „Titanium“-Werte vorgeschrieben sind, kommt der traditionelle Umwandlungsansatz mit Brückengleichrichter, Boost-PFC-Stufe und vielleicht einer Vollbrücken-PWM-Stufe mit Silizium-MOSFETs, die beispielsweise mit 100 kHz schalten, mit Diodenausgangsgleichtrichtung und anschließender Filterung praktisch nicht mehr in Frage. Dieses Schema würde je nach den Details der Konstruktionslösung zu einem Wirkungsgrad von rund 85 Prozent führen und typischerweise bei geringer Last auf ein niedriges Niveau abfallen. Um den Titanium-Wert von 96 Prozent zu erreichen, müssten die Verluste jedoch um mehr als das Vierfache reduziert werden, daher ist ein gänzlich anderer Ansatz erforderlich. Eine Verringerung der Schaltfrequenz ist eine Möglichkeit, dynamische Verluste zu reduzieren, aber dann nehmen die Größe der Transformator- und Filtermagnete zu und die Leistungsdichte wird viel zu niedrig. Eine Lösung besteht in der Verwendung einer „brückenlosen“ PFC-Stufe und einer DC/DC-Wandlerstufe, die mit einer Nullspannungs- und/oder Nullstromschaltung arbeitet, gefolgt von Synchrongleichrichtern (Bild 1). Wenn Halbleiter mit großer Bandlücke, wie z. B. in Siliziumkarbid-Bauart, verwendet werden, besteht die Möglichkeit, die Schaltfrequenz erheblich zu erhöhen, um die Größe der Magnete zu minimieren, allerdings nimmt die Ausbeute dabei ab, da die Kernverluste exponentiell mit der Frequenz zunehmen.
Stand: 08.12.2025
Es ist für uns eine Selbstverständlichkeit, dass wir verantwortungsvoll mit Ihren personenbezogenen Daten umgehen. Sofern wir personenbezogene Daten von Ihnen erheben, verarbeiten wir diese unter Beachtung der geltenden Datenschutzvorschriften. Detaillierte Informationen finden Sie in unserer Datenschutzerklärung.
Einwilligung in die Verwendung von Daten zu Werbezwecken
Ich bin damit einverstanden, dass die Vogel Communications Group GmbH & Co. KG, Max-Planckstr. 7-9, 97082 Würzburg einschließlich aller mit ihr im Sinne der §§ 15 ff. AktG verbundenen Unternehmen (im weiteren: Vogel Communications Group) meine E-Mail-Adresse für die Zusendung von redaktionellen Newslettern nutzt. Auflistungen der jeweils zugehörigen Unternehmen können hier abgerufen werden.
Der Newsletterinhalt erstreckt sich dabei auf Produkte und Dienstleistungen aller zuvor genannten Unternehmen, darunter beispielsweise Fachzeitschriften und Fachbücher, Veranstaltungen und Messen sowie veranstaltungsbezogene Produkte und Dienstleistungen, Print- und Digital-Mediaangebote und Services wie weitere (redaktionelle) Newsletter, Gewinnspiele, Lead-Kampagnen, Marktforschung im Online- und Offline-Bereich, fachspezifische Webportale und E-Learning-Angebote. Wenn auch meine persönliche Telefonnummer erhoben wurde, darf diese für die Unterbreitung von Angeboten der vorgenannten Produkte und Dienstleistungen der vorgenannten Unternehmen und Marktforschung genutzt werden.
Meine Einwilligung umfasst zudem die Verarbeitung meiner E-Mail-Adresse und Telefonnummer für den Datenabgleich zu Marketingzwecken mit ausgewählten Werbepartnern wie z.B. LinkedIN, Google und Meta. Hierfür darf die Vogel Communications Group die genannten Daten gehasht an Werbepartner übermitteln, die diese Daten dann nutzen, um feststellen zu können, ob ich ebenfalls Mitglied auf den besagten Werbepartnerportalen bin. Die Vogel Communications Group nutzt diese Funktion zu Zwecken des Retargeting (Upselling, Crossselling und Kundenbindung), der Generierung von sog. Lookalike Audiences zur Neukundengewinnung und als Ausschlussgrundlage für laufende Werbekampagnen. Weitere Informationen kann ich dem Abschnitt „Datenabgleich zu Marketingzwecken“ in der Datenschutzerklärung entnehmen.
Falls ich im Internet auf Portalen der Vogel Communications Group einschließlich deren mit ihr im Sinne der §§ 15 ff. AktG verbundenen Unternehmen geschützte Inhalte abrufe, muss ich mich mit weiteren Daten für den Zugang zu diesen Inhalten registrieren. Im Gegenzug für diesen gebührenlosen Zugang zu redaktionellen Inhalten dürfen meine Daten im Sinne dieser Einwilligung für die hier genannten Zwecke verwendet werden. Dies gilt nicht für den Datenabgleich zu Marketingzwecken.
Recht auf Widerruf
Mir ist bewusst, dass ich diese Einwilligung jederzeit für die Zukunft widerrufen kann. Durch meinen Widerruf wird die Rechtmäßigkeit der aufgrund meiner Einwilligung bis zum Widerruf erfolgten Verarbeitung nicht berührt. Um meinen Widerruf zu erklären, kann ich als eine Möglichkeit das unter https://contact.vogel.de abrufbare Kontaktformular nutzen. Sofern ich einzelne von mir abonnierte Newsletter nicht mehr erhalten möchte, kann ich darüber hinaus auch den am Ende eines Newsletters eingebundenen Abmeldelink anklicken. Weitere Informationen zu meinem Widerrufsrecht und dessen Ausübung sowie zu den Folgen meines Widerrufs finde ich in der Datenschutzerklärung, Abschnitt Redaktionelle Newsletter.
Die „brückenlose“ Totem-Pole-PFC-Stufe
Es muss ein echter Durchbruch gewesen sein, als man zum ersten Mal erkannte, dass der Diodenbrücken-AC-Gleichrichter in einem AC/DC-Wandler weggelassen und in die Funktion einer Boost-PFC-Stufe integriert werden konnte [3]. In ihrer einfachsten Form wird die PFC-Boost-Diode einfach in einen Synchronschalter umgewandelt, der dem Hauptschalter gleicht. Anschließend werden die beiden Schalter so angesteuert, dass sie abwechselnd als Boost-Schalter und als Diode fungieren, je nach Polarität des Wechselstromnetzes, wobei die Dioden den Rückstrom zurück zur Stromversorgung leiten. Für eine bessere Effizienz können die Dioden durch Synchronschalter ersetzt werden, die mit Netzfrequenz schalten. Dabei kann ein mehrphasiger Ansatz gewählt werden, um Verluste zu verteilen, oder es kann auf eine mehrstufige Anordnung gesetzt werden, um die Schaltspannungsbelastung zu reduzieren (Bild 2). Bei dreiphasigem Wechselstrom ist es noch relativ einfach, wobei der „Vienna“ Gleichrichter eine beliebte Ausführung ist.
Bei hoher Leistung ist der Schaltkreis jedoch praktisch gezwungen, im „hart geschalteten“ Dauerstrommodus (Continuous Conduction Mode – CCM) zu arbeiten, bei dem die Strompegel zwar beherrschbar, die dynamischen Verluste jedoch aufgrund von Strom-/Spannungsüberlagerungen und der Sperrverzögerung der Schalt-Body-Dioden, die während der Schalttotzeit leiten, hoch sind. Silizium-MOSFETs können die gewünschte Effizienz nur bei sehr niedrigen Frequenzen erreichen, was große magnetische Bauteile erfordert. Siliziumkarbid-Schalter hingegen ermöglichen höhere Schaltgeschwindigkeiten, um geringe Überlappungen zu erzielen, während eine Body-Diode schneller und mit niedrigeren Rückgewinnungsverlusten arbeitet. Eine noch bessere Lösung ist ein SiC-FET (Bild 3), der von Qorvo [4] erhältlich ist. Dabei handelt es sich um eine Kaskodenkombination aus einem SiC-JFET und einem Niederspannungs-Silizium-MOSFET, der sich durch einen geringeren relativen Einschaltwiderstand und eine Body-Diode auszeichnet, die genauso schnell ist, aber einen viel geringeren Durchlassspannungsabfall aufweist als ein SiC-MOSFET. SiC-FETs sind mit Nennwerten von 650 V bis 1700 V erhältlich und weisen im Vergleich zu Si- oder SiC-MOSFETs oder GaN-HEMT-Zellen die besten Werte beim Einschaltwiderstand auf. Mit seinen geringen dynamischen und Leitungsverlusten kann der SiC-FET bei einer brückenlosen PFC-Stufe mit 1,5 kW Ausgangsleistung bei 240 VAC Eingang und 100 kHz Betriebsfrequenz einen Wirkungsgrad von 99,28 Prozent erzielen, was eine kompakte Induktordimensionierung ermöglicht. Dies kann mit dem Qorvo FET-Jet Online-Rechner [5] unter Verwendung der 18-Milliohm-Teile UJ4C075018K4S der gleichen Firma für die Hochfrequenzschalter überprüft werden. In diesem Beispiel sind die beiden Schalter, die mit Netzfrequenz schalten, unkritisch, da die dynamischen Verluste gering sind. Bei 1,5 kW und der Verwendung von UF3SC065007K4S SiC-FETs gibt der Rechner ihre Gesamtverluste mit nur 0,3 W pro Schalter an. Diese Anordnung ist in der Lage, 3 kW Leistung zu erzeugen. Bei einer Last von 10 Prozent oder 300 W erreicht die Schaltung immer noch einen Wirkungsgrad von 97,53 Prozent, was Verluste weiter unten in der Umwandlungskette zulässt, während immer noch der Mindestwirkungsgrad „Titanium“ erfüllt wird.
DC/DC-Wandlerstufe
Als Hauptstufe für die Isolation und DC/DC-Wandlung in einem Netzteil für Rechenzentren kommen mehrere hocheffiziente Topologien in Frage. Der LLC-Wandler ist beliebt aufgrund seiner Einfachheit, seiner Fähigkeit zum Nullspannungsschalten (zero-voltage switching – ZVS) und dazu, mit nur einer einzigen magnetischen Komponente zu arbeiten. Der primäre Resonanzstrom ist jedoch relativ hoch, sodass Schalter mit niedrigem RDS(ON) wichtig sind, um Leitungsverluste gering zu halten. Die dynamischen Verluste können bei sehr geringen Lasten zwar sehr niedrig sein, aber der Schaltkreis kann bei anormaler Belastung oder beim Start die ZVS-Funktion verlieren, sodass Vorkehrungen getroffen werden müssen, um sicherzustellen, dass die Belastungswerte unter diesen Bedingungen nicht bedenklich werden. Der Schaltkreis schaltet mit variabler Frequenz, um die Ausgangsleistung zu regeln, was dazu führen kann, dass die EMI-Filterung weniger deterministisch ist. Der LLC kann als Halbbrücken- und Vollbrückenversionen konzipiert werden, es ist keine Ausgangsinduktivität erforderlich und es kann eine diskrete oder synchrone Ausgangsgleichrichtung eingesetzt werden. Der CLLC-Wandler funktioniert ähnlich, aber mit einem zusätzlichen Resonanzkondensator auf der Sekundärseite zusammen mit Synchrongleichrichtern, wodurch ein ZVS für alle Schalter sichergestellt wird. Die Steuerung kann durch Frequenzmodulation oder Phasenverschiebung erfolgen. Die Symmetrie der Topologie macht sie ideal für einen bidirektionalen Stromfluss, was bei AC/DCs in Rechenzentren nicht erforderlich ist, sodass in der Regel andere Topologien gewählt werden.
Die Phasenverschiebungs-Vollbrückentopologie (PSFB) ist bei vielen beliebt, da sie mit fester Frequenz und einfachen gegenphasigen Gate-Treibern mit einem Tastverhältnis von 50 Prozent für jeden Schenkel in einer H-Brücke von Schaltern arbeitet. Die Regelung erfolgt durch Variation der relativen Phase der Gate-Treiber zu den beiden Schenkeln in der Brücke. Ein Resonanzinduktor ist in der Primärwicklung erforderlich, um ein ZVS zu ermöglichen, aber es wird auch ein Ausgangsinduktor benötigt, und die Aufrechterhaltung des ZVS kann bei geringer Last problematisch sein.
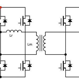
Eine weitere beliebte Topologie stellt die Dual Active Bridge DAB (Bild 4) dar. Diese Topologie von 1988 ähnelt einer PSFB-Schaltung mit synchronen Ausgangsgleichrichtern, benötigt jedoch keine Ausgangsdrossel. Es ist ein Primärinduktor erforderlich, jedoch kann die Streuinduktivität des Transformators als solcher dienen. Der Wandler fungiert als Stromquelle mit Leistungsregelung, die folglich die Ausgangsspannung regelt. Bei der einfachsten Ausführung des DAB werden alle H-Brücken-Schenkel mit einem Tastverhältnis von 50 Prozent und einer gewissen Totzeit angesteuert, wobei die Schenkel gegenphasig zueinander angesteuert werden. Hier wird aber nun die Phasendifferenz zwischen den primären und sekundären Gate-Treibern zur Regelung des Leistungsflusses gesteuert. Die Steuerung ist komplex und es gibt verschiedene Modulationsschemata mit unterschiedlichen Steuerungsvariablen bis hin zur „Dreifach-Phasenverschiebung“, bei der die Tastgrade von Primär- und Sekundärseite sowie die Phasenverschiebung variiert werden, was den Vorteil einer möglichen Reduzierung der Effektivwerte der zirkulierenden Ströme bietet. Der Effektivstrom des Ausgangskondensators kann recht hoch sein, und es besteht die Gefahr eines Flussungleichgewichts im Transformator, was zu magnetischer Instabilität, Sättigung bis hin zum Totalausfall führen kann. Ein DC-Sperrkondensator ist eine Lösung, die allerdings mit einem Größen- und Kostennachteil einhergeht. Alternativ können andere aktive Steuerungsmethoden eingesetzt werden, um diesen Effekt zu verhindern.
Bei der DAB wird ein ZVS natürlich in den Primär- und Sekundärschaltern beim Einschalten erreicht, dies setzt jedoch voraus, dass die Ausgangskapazität der Schalter, COSS, während der Totzeit vollständig entladen wird, was bedeutet, dass Geräte mit niedrigem COSS verwendet werden sollten und die COSS-Variation mit den Betriebsbedingungen sorgfältig bewertet werden muss. Bei den einfachsten Modulationsschemata erfolgt das Ausschalten beim Spitzenwert des Primärstroms, sodass es sich um einen „harten“ Übergang handelt und schnelle Flankensteilheiten erforderlich sind, um eine übermäßige Verlustleistung zu vermeiden. Die Body-Dioden der Schalter leiten auch während der Totzeit, sodass ihr Durchlassspannungsabfall und ihre Sperrenergie wie bei den anderen Topologien niedrig sein sollten.
SiC-FETs sind aufgrund ihrer geringen dynamischen und statischen Verluste im Vergleich zu anderen Halbleitertypen wiederum eine natürliche Wahl für die beste Leistung in der DAB-Topologie. Auch hier kann der Qorvo FET-Jet-Rechner verwendet werden, um zu untersuchen, welche Leistung möglich ist. Bei einer Ausgangsleistung von 1500 W, die als 50 Prozent Last für einen DC/DC-Wandler mit 400 VDC Eingangsstrom und 48 VDC Ausgangsstrom bei 100-kHz-Betrieb und einem 10-µH-Resonanzinduktor ausgewählt wurde, wird ein Halbleiterwirkungsgrad von 98,83 Prozent erreicht. Bei 3 kW liegt der Wirkungsgrad bei etwa 97,7 Prozent und bei 300 W bei über 99 Prozent. Ohmsche Verluste im Transformator und in den Anschlüssen führen zwar zu gewissen Verlusten, aber es ist klar, dass zusammen mit einer SiC-FET-basierten brückenlosen PFC-Stufe der Titanium-Standard leicht erfüllt werden kann. Ein Screenshot des Rechners (Bild 5) zeigt, dass die meisten Verluste tatsächlich durch den Einschaltwiderstand des sekundärseitigen SiC-FET verursacht werden. Diese wurden als 6,7-Milliohm-Ausführungen des Typs UF3SC065007K4S aus dem Qorvo-Standardsortiment ausgewählt. Die Nennspannung des Bauteils von 650 V ist für einen 48-V-Ausgang mehr als ausreichend, sodass hier SiC-MOSFETs oder GaN-HEMT-Zellen mit einer Nennspannung von beispielsweise 100 V und einem daraus resultierenden niedrigeren RDS(ON) und noch geringerem Leitungsverlust gewählt werden könnten. Ein paralleler Betrieb ist möglich.
Zusammenfassung
Die strengen Anforderungen an Wirkungsgrad und Leistungsdichte von Netzteilen für Rechenzentren werden in Theorie und Praxis durch die Nutzung der Vorteile von Halbleitern mit großer Bandlücke, insbesondere der Siliziumkarbid-Bauart, erfüllt. SiC-FETs bieten außerdem die Vorteile einer einfachen, unkritischen Gate-Ansteuerung und robuster Kurzschluss- und Lawinenspannungswerte und sind in einer Reihe von Durchsteck- und SMT-Gehäusen erhältlich. (mr)