Mit den richtigen Vorüberlegungen, fachgerechten Messungen und den Herstellerangaben sollte es für Entwickler kein Problem sein, den richtigen DC/DC-Wandlers für die jeweilige Anwendung zu finden.
Auswahl an DC/DC-Wandlern: Verschiedene DC/DC-Module aus dem Produktsortiment von Traco Power.
(Bild: Traco Power)
Ein unter Autobesitzern immer wieder gern diskutiertes Thema sind die Verbrauchswerte ihrer fahrbaren Untersätze. Manche sprechen schon von Irreführung der Verbraucher, wenn das Auto ein bis zwei Liter mehr verbraucht, als die Hersteller angeben.
Aber ist das tatsächlich Betrug am Kunden? Oder sind wir da in einem Bereich, der in der Elektronikentwicklung schon lange bekannt ist, nämlich, dass sich Laborwerte und Istwerte unterscheiden? Wie kommt es dazu? Stimmen die Angaben tatsächlich nicht, oder gibt es Punkte die zu beachten sind, sobald ein AC/DC-Netzteil oder ein DC/DC-Wandler in einer Schaltung eingesetzt ist?
Schließlich sollte jedem klar sein, dass ein Auto auf einer definierten Teststrecke ohne viel Gewicht weniger verbraucht, als voll beladen mit einer vierköpfigen Familie den nächsten Alpenpass hoch.
Ein Auto kauft man im Regelfall nach den persönlichen Bedürfnissen bzw. dem Budget entsprechend. Doch wie wählt man nun die passenden Komponenten für die Stromversorgung aus?
Zuerst einmal sollte man die Anforderungen an die jeweilige Stromversorgung definieren. Dabei stellen sich vorab schon einige Fragen, die als trivial bezeichnet werden können.
Stromversorgungen: Sieben erste Fragen zur Bedarfsanalyse
Prinzipiell möchte man für eine Applikation die Eingangsspannung auf ein neues Potenzial bringen, wobei sich die folgende Fragen stellen:
Soll dieses getrennt sein oder nicht?
Welchen Ein- und/oder Ausgangsspannungsbereich hat und benötigt man bei welchem Ausgangsstrom?
Für welche Bauform habe ich Platz bzw. geben andere Komponenten auf der Platine schon etwas vor?
Für welches Endprodukt wird die Schaltung benötigt?
Auf welche Normen ist zu achten (Industrie, Bahn oder Medizin)?
In welchen Umgebungsbedingungen wird die Anwendung eingesetzt?
Wie zuverlässig soll/oder muss die ganze Schaltung sowie die gesamte Applikation sein?
Ein Porsche 911 ist ein tolles Auto, aber für eine Expedition durch den Dschungel Südamerikas wohl denkbar ungeeignet. Ein Allrad-Geländewagen wird da wohl die bessere Wahl sein. Aber so einfach wie mit dem passenden Fahrzeug ist es bei der Wahl der Stromversorgung leider nicht immer.
Sind die Standardfragen geklärt, kommen wir zu den Aspekten, die wir in diesem Beitrag noch etwas näher betrachtet wollen:
1. Wie messe ich korrekt und vermeide Messfehler?
2. Wie gehe ich mit der Restwelligkeit (Ripple & Noise) um?
3. Was passiert beim Einschaltstromstoß?
4. Was ist bezüglich der elektromagnetischen Verträglichkeit (EMV) zu beachten?
Schaut man beispielsweise ins Produktportfolio eines Herstellers wie Traco Power aus der Schweiz, wird man über 25 DC/DC-Wandlerserien im Leistungsbereich um drei Watt finden. Da gibt es dann die TVN-Serie mit extrem geringen Ripple & Noise oder THM mit Medizinzulassungen. Open-Frame-Varianten oder die TMR-WIR-Serie mit einer Isolation von 3000 VDC und der Zulassung für den Bahnbereich – also jede Menge Möglichkeiten.
Wir hätten wohl alle gerne einen Wandler, der die benötigten Anforderungen direkt erfüllt – eine fertige Lösung. Aber der Regelfall bedeutet mehr Aufwand, da die Anforderungen vielleicht mehr als einen Wandler erfordern, oder eine Zusatzbeschaltung, um die gewünschten Werte zu erhalten.
Was also muss nun bestimmt werden, um eine passende Lösung zu finden? Erst einmal wohl, welche zu messenden Werte benötigt werden. So kann mit einer einfachen Messung recht einfach eine grobe Qualifizierung erreicht werden, also Eingangs- und Ausgangsspannung sowie Strom am Wandler, an der Last und evtl. Veränderungen des Wirkungsgrads.
1. Wie sich Messfehler vermeiden lassen
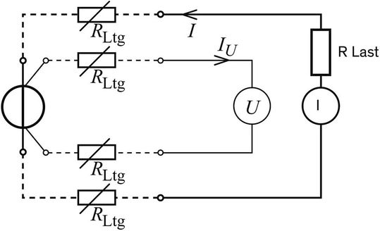
Bild 2: Schaltplan einer Vierleitermessung mit Quelle und Last.
(Bild: Traco Power)
Grundsätzlich ist zu beachten, dass jede Messung den Ist-Zustand der Schaltung verändert, dieser Einfluss sollte möglichst gering gehalten werden. Daher wird selbst für eine „einfache Messung“ empfohlen, eine 4-Leiter-Messung einzusetzen. Durch unabhängige Leitungen für die Messung von Strom und Spannung gibt es weniger, von den Eigenwiderständen der Messleitungen hervorgerufene Einflüsse auf die Ergebnisse.
Auch sollte man an die Endanwendung denken. So können zum Beispiel in einem Operationssaal schon einmal 30 m Leitungen zwischen der Stromversorgung und der eigentlichen Last liegen. Die Last benötigt vielleicht 24 V, also muss die Quelle eine entsprechend höhere Ausgangsspannung haben, um die Spannungsverluste auf der Leitung auszugleichen.
Folglich muss man sowohl an der Last als auch an der Quelle messen. Bild 2 zeigt ein Beispielschaltbild zur klassischen Vierleitermessung der Spannung an der eigentlichen Quelle.
2. Bestimmung und Beeinflussung der Restwelligkeit
Warum wird die Restwelligkeit, auch Ripple & Noise genannt, bestimmt? Abhängig von der Applikation könnte eben die Restwelligkeit eines DC/DC-Wandlers im eigentlichen Arbeitsbereich z.B. einer Messbrücke liegen und sollte entsprechend separat betrachtet und beachtet werden.
Stand: 08.12.2025
Es ist für uns eine Selbstverständlichkeit, dass wir verantwortungsvoll mit Ihren personenbezogenen Daten umgehen. Sofern wir personenbezogene Daten von Ihnen erheben, verarbeiten wir diese unter Beachtung der geltenden Datenschutzvorschriften. Detaillierte Informationen finden Sie in unserer Datenschutzerklärung.
Einwilligung in die Verwendung von Daten zu Werbezwecken
Ich bin damit einverstanden, dass die Vogel Communications Group GmbH & Co. KG, Max-Planckstr. 7-9, 97082 Würzburg einschließlich aller mit ihr im Sinne der §§ 15 ff. AktG verbundenen Unternehmen (im weiteren: Vogel Communications Group) meine E-Mail-Adresse für die Zusendung von redaktionellen Newslettern nutzt. Auflistungen der jeweils zugehörigen Unternehmen können hier abgerufen werden.
Der Newsletterinhalt erstreckt sich dabei auf Produkte und Dienstleistungen aller zuvor genannten Unternehmen, darunter beispielsweise Fachzeitschriften und Fachbücher, Veranstaltungen und Messen sowie veranstaltungsbezogene Produkte und Dienstleistungen, Print- und Digital-Mediaangebote und Services wie weitere (redaktionelle) Newsletter, Gewinnspiele, Lead-Kampagnen, Marktforschung im Online- und Offline-Bereich, fachspezifische Webportale und E-Learning-Angebote. Wenn auch meine persönliche Telefonnummer erhoben wurde, darf diese für die Unterbreitung von Angeboten der vorgenannten Produkte und Dienstleistungen der vorgenannten Unternehmen und Marktforschung genutzt werden.
Meine Einwilligung umfasst zudem die Verarbeitung meiner E-Mail-Adresse und Telefonnummer für den Datenabgleich zu Marketingzwecken mit ausgewählten Werbepartnern wie z.B. LinkedIN, Google und Meta. Hierfür darf die Vogel Communications Group die genannten Daten gehasht an Werbepartner übermitteln, die diese Daten dann nutzen, um feststellen zu können, ob ich ebenfalls Mitglied auf den besagten Werbepartnerportalen bin. Die Vogel Communications Group nutzt diese Funktion zu Zwecken des Retargeting (Upselling, Crossselling und Kundenbindung), der Generierung von sog. Lookalike Audiences zur Neukundengewinnung und als Ausschlussgrundlage für laufende Werbekampagnen. Weitere Informationen kann ich dem Abschnitt „Datenabgleich zu Marketingzwecken“ in der Datenschutzerklärung entnehmen.
Falls ich im Internet auf Portalen der Vogel Communications Group einschließlich deren mit ihr im Sinne der §§ 15 ff. AktG verbundenen Unternehmen geschützte Inhalte abrufe, muss ich mich mit weiteren Daten für den Zugang zu diesen Inhalten registrieren. Im Gegenzug für diesen gebührenlosen Zugang zu redaktionellen Inhalten dürfen meine Daten im Sinne dieser Einwilligung für die hier genannten Zwecke verwendet werden. Dies gilt nicht für den Datenabgleich zu Marketingzwecken.
Recht auf Widerruf
Mir ist bewusst, dass ich diese Einwilligung jederzeit für die Zukunft widerrufen kann. Durch meinen Widerruf wird die Rechtmäßigkeit der aufgrund meiner Einwilligung bis zum Widerruf erfolgten Verarbeitung nicht berührt. Um meinen Widerruf zu erklären, kann ich als eine Möglichkeit das unter https://contact.vogel.de abrufbare Kontaktformular nutzen. Sofern ich einzelne von mir abonnierte Newsletter nicht mehr erhalten möchte, kann ich darüber hinaus auch den am Ende eines Newsletters eingebundenen Abmeldelink anklicken. Weitere Informationen zu meinem Widerrufsrecht und dessen Ausübung sowie zu den Folgen meines Widerrufs finde ich in der Datenschutzerklärung, Abschnitt Redaktionelle Newsletter.
Worum handelt es sich bei der Restwelligkeit und wie lässt sie sich sauber messen? Bei AC/DC-und DC/DC-Schaltungen spricht man vom Ripple, wenn durch interne Schaltungen unregelmäßigen Störungen verursacht werden, Noise dagegen bezeichnet die periodisch wiederkehrenden Peaks, die durch das Pulsen des Übertragers in der Schaltfrequenz entstehen.
Um die tatsächlichen Werte zu bestimmen, muss der Messkopf direkt an den Pins sowohl mit dem Massering als auch der Tastspitze kontaktiert werden. Um die Ergebnisse mit den Angaben des Herstellers vergleichen zu können, wird am Oszilloskop die Bandbreite auf laborübliche 20 MHz begrenzt.
Für eine einfache Reduzierung der Restwelligkeit reichen dann in der Regel zwei parallel geschaltete Kondensatoren, z.B. ein 100-nF-Metallfilmkondensator und ein 10-µF-Elektrolytkondensator. Dabei ist zu beachten, dass Datenblattangaben unter Laborbedingungen gemessen werden und diese durch äußere Einflüsse in der Endanwendung variieren können.
3. Umgang mit dem Einschaltstromstoß
Der Einschaltstromstoß (inrush current) muss ermittelt werden, um vorgeschaltete Bauteile richtig dimensionieren zu können.
Der Strom hängt maßgeblich von der Schaltgeschwindigkeit ab, idealerweise wird deshalb im Labor mit Quecksilberschaltern gearbeitet,
die Quelle sollte einen möglichst geringen Innenwiderstand haben,
der Strom wird mit einer entmagnetisierten Zange gemessen.
Ebenso hat die Umgebungstemperatur einen großen Einfluss auf den Einschaltstromstoß. So ist z.B. der Einsatz von Elkos stark temperaturabhängig.
Bild 4: Einschaltstromstoß eines DC/DC-Wandlers im energiefreien Zustand (kalt=Raumtemperatur 25 °C).
(Bild: Traco Power)
Bild 4 ist ein Beispielbild eines Einschaltstromstoßes an einer LED-Lampe (gelbe Linie). Dargestellt wird weiterhin der Spannungsverlauf in der Lampe (violette Linie). Schön zu sehen ist der mit T (orange Markierung) markierte Einschaltmoment, der bei ca. 10 A das Maximum erreicht und binnen 30 ms wieder beim 300 mA angekommen ist.
Hat man Schwierigkeiten mit dem Einschaltstromstoß in seiner Schaltung, kann der Einsatz eines Thermistors mit negativem Temperaturkoeffizienten (NTC) helfen.
4. Die Elektromagnetische Verträglichkeit (EMV)
Weiterhin sollte beachtet werden, dass durch die Gesamtapplikation das EMV-Verhalten maßgeblich bestimmt wird. Der Einsatz eines DC/DC-Wandlers mit internem Filter bedeutet nicht automatisch die Einhaltung der Grenzwerte einer Gesamtapplikation, da meist mehrere Bauteile Einfluss auf das EMV-Verhalten haben.
In vielen Fällen wird aus Gründen der Sicherheit eine Verbindung der Ausgangsspannung mit PE gefordert, was die EMV maßgeblich beeinflussen kann. Hinweise zur Einhaltung der Grenzwerte kann dann im Regelfall der Hersteller der Stromversorgung geben.
Die passenden Hilfestellungen werden von den meisten Stromversorgungsherstellern auf ihren Internetseiten in Form von Filtervorschlägen bereitgestellt. Auf der Homepage von Traco Power z.B. sind diese direkt beim jeweiligen Produkt als Download erhältlich. Finden sich nicht die passenden Schaltungen für das ausgewählte Produkt, sollte man sich nicht scheuen, den Hersteller telefonisch oder per E-Mail zu kontaktieren.
Stromversorgungskomponenten: Herstellerangaben helfen bei der Qualifizierung
Zusammenfassend lässt sich feststellen, dass die Qualifizierung von Stromversorgungskomponenten für ein Design mit einfachen Mitteln und unter zu Hilfenahme von Herstellerangaben mit wenig Aufwand realisiert werden kann.
Vor der Auswahl und Qualifizierung sollten die Anforderungen klar definiert werden. Eine wichtige Unterscheidung ist aber, was „brauche“ ich wirklich und was „hätte ich gern“?
Um auf die eingangs erwähnten Autohersteller zurück zu kommen, denken wir an die korrekte Aufnahme der Messwerte und die durch jede Messung Beeinflussung eben jener. Die Teststrecke ist definiert, ebenso wie Laborbedingungen, wenn eine Schaltung aufgebaut wird – aber unter welchen Bedingungen kommt die Schaltung zum Einsatz?
Wenn es auf dem Markt kein passendes Produkt gibt, sollte geschaut werden ob eine Serien oder Parallelschaltung oder Filtervorschlag das gewünschte Ergebnis bringt. Die Einhaltung der EMV-Anforderungen wird sehr durch die Applikation mit Ihren Bedingungen beeinflusst, wie bei der Restwelligkeit und dem Einschaltstromstoß.
Hersteller gibt es bekanntlich viele, und wie die Qualität, so schwankt natürlich auch der Preis für das jeweilige Produkt. Reicht „einfache“ No-Name-Massenware aus oder rächt sich eine Einsparung später im Feld? Muss es immer die High-End Variante sein?
Die endgültige Entscheidung kann man niemandem abnehmen – im Regelfall können nur Empfehlungen gegeben werden. Die Vorteile, auf einen europäischen Hersteller wie Traco Power mit direktem deutschsprachigen bzw. mehrsprachigem Support zu setzen, liegen aber auf der Hand.