IGBT-Module Plug-and-Play-Treiber für LV/HV100-IGBT-Module
Zu den Dual-IGBT-Modulen LV100 und HV100 von Mitsubishi offeriert der Technologie-Distributor HY-LINE jetzt auch die geeigneten Treiberbausteine von Power Integrations.
Anbieter zum Thema

Um die Wärmebelastung von Si- und SiC-Dies zu reduzieren hat Mitsubishi Electric für die Dual-Hochvolt-Module LV100 und HV100 ein gemeinsames Gehäuse entwickelt, dass eine geringere interne Induktivität besitzt und eine gute Skalierbarkeit der IGBT ermöglicht. Sie sollen auch dazu beitragen, die Größe und die Verlustleistung von Stromrichtern zu verringern, insbesondere von Wechselrichtern, etwa für Anwendungen in der Photovoltaik, Windenergie sowie in Motorantrieben mit hohem Wirkungsgrad. Das Layout vermeidet gegenseitige elektromagnetische Beeinflussung von Ansteuerung und Leistungsstufe bei Spannungen bis 3,3 kV und Strömen bis 1400 A. Nun gibt es vom Technologie-Distributor HY-LINE, der diese IGBT-Module offerierten, auch die passenden Plug &Play-Gate-Treiber des Herstellers Power Integrations im Sortiment.
Die mit 100 mm x 140 mm kompakten IGBT-Module im LV100- und HV100-Gehäuse bewähren sich in Anwendungen wie Bahntechnik, Energie und Industrie. Ihr niederinduktiver Gehäuseaufbau ist für schnelle IGBT- und erst recht Wide-Bandgap-FET-Schalter wichtig, um etwa Überspannungen auszuschließen. Eine klare Trennung von Steuer- und Leistungsseite vermeidet Übersprechen und vereinfacht den Gesamtaufbau. Die Isolation ist bis 4 kV beim LV100 und beim HV100 aktuell bis zu 6,5 kV (zukünftig bis 10 kV) gewährleistet. Das Layout des LV100 ist mit kurzen Wegen und symmetrisch angelegt, sodass auch das Verschalten mehrerer Module ohne Probleme möglich sei.
Robust gegen Materialermüdung durch STC-Technologie
Als weiteren Vorteil nennt HY-LINE die Robustheit gegen Materialermüdung aufgrund thermischer Zyklen; die Solid-Cover-Gehäusetechnik berücksichtige dazu die Ausdehnungskoeffizienten aller Materialien, auch die des Vergussmaterials.
Üblicherweise werden metallisierte keramische Substrate verwendet, um die elektrische Isolierung zwischen dem Die und der Modul-Grundplatte herzustellen. Diese Substrate sind durch eine Lötschicht mit der Grundplatte (Kupfer) verbunden. Nachteil dieser Materialkombination ist der ungleiche Temperaturkoeffizient zwischen Keramik, Lot und Kupfer. Diese verursachen Risse im Lot und begrenzt die Lebensdauer der Module. Die Fähigkeit des Moduls, dieser Belastung zu widerstehen, wird als Temperaturwechselfähigkeit bezeichnet.
Bei der SLC-Technologie (SoLid Cover) hingegen wird zur Isolation ein Harz genutzt, das einen ähnlichen Wärmeausdehnungskoeffizienten wie Kupfer hat. Die Grundplatte und die Lötschicht entfallen, da die Kupferober- und -unterseite direkt mit der isolierenden Harzschicht verbunden werden. Auf diese Weise erhöht sich die Temperaturwechselfähigkeit wesentlich.
Der Betrieb des LV100 ist mit den aktuellen Silizium-basierenden Halbleitern bis zu 150 °C möglich. Bei Schaltfrequenzen im oberen kHz-Bereich zeige das LV100-Gehäuse entsprechende Vorteile, die auch die Möglichkeiten mit SiC-MOSFETs unterstützen. Diese bieten auch noch höhere Arbeitstemperaturen.
Optimierter Plug-and-Play-Treiber für die IGBT-Module

Mit dem Treiber SCALE-iFlex Single Gate ist nun der passende Plug & Play-Treiber für diese Module über HY-LINE erhältlich, der Module bis zu 3,3 kV Schaltspannung unterstützt. Die LV100- und HV100-Module sowie die SCALE-iFlex Single Gate-Treiber bieten sich in Kombination an für Industrieanwendungen und elektrische Antriebstechnik, etwa auch Stadtbahnen, erneuerbare Energieerzeugung sowie andere Anwendungen, die hohe Zuverlässigkeit, Kompaktheit und robuste Treiberlösungen fordern.
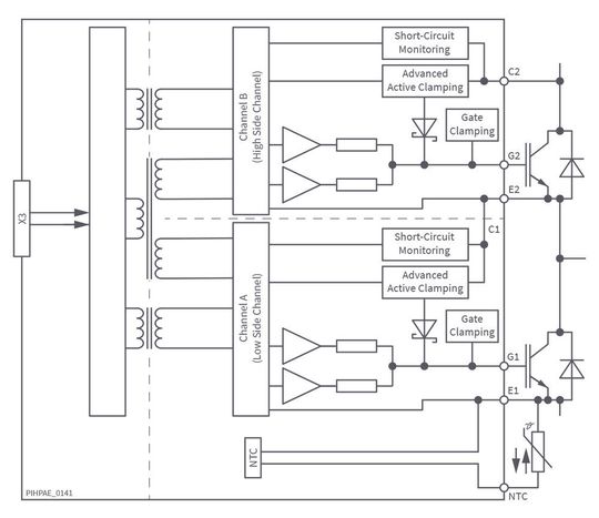
Aufbau der SCALE-iFlex-Treiber von Power Integrations

Die Treiberbausteine nutzen die SCALE-2-ASIC-Technologie von Power Integrations, die die Anzahl der Komponenten im Vergleich zu herkömmlichen Produkten deutlich reduziert. Der ASIC bietet außerdem einen Advanced-Active-Clamping-Überspannungsschutz während des normalen Betriebs, was eine wesentliche Verbesserung gegenüber einer einfachen Softabschaltung darstelle, so HY-LINE, und einen zusätzlichen Schutz im Falle eines Kurzschlusses beim Einschalten bietet.
Die Leiterplatten sind auch mit zusätzlicher Beschichtung für widrige Einsatzbedingungen erhältlich und besitzen eine verstärkte Isolierung. Das isolierte Gehäuse erlaubt es, mehrere Module nebeneinander zu montieren. Die IGBT-Treiber sind gemäß den Bahnnormen IEC 61373 Klasse 1B (Stoß und Vibration) und nach IEC 61000-4-x (EMV-Tests) sowie IEC 60068-2-x (serielle Umwelttests) qualifiziert. Der Burn-in der Treiber ist optional.
Die neuen Gate-Treiber sind für einen Spitzenausgangsstrom von 20 A pro Kanal bei 85 °C Umgebungstemperatur und ohne Luftstrom ausgelegt. Höhere Leistungen sind mit Kühlung oder bei niedrigerer Umgebungstemperatur möglich. An Interfaces gibt es sowohl elektrische als auch faseroptische Schnittstellen.
Artikelfiles und Artikellinks
(ID:47900569)